← ST-Computer 02 / 1995

ATARI läßt das Mausen nicht: PC-Maus am ATARI ST/STE/TT/Falcon030

Hardware

Als CAD-Anwender auf dem ATARI ST tut man sich nicht besonders leicht. Grund dafür ist nicht nur der gute, aber zu kleine Schwarzweißmonitor, sondern auch die nicht gerade hochauflösende ATARI-Maus mit ihren schwergängigen Tasten, die in CAD-Anwendungen beim Betätigen der Tasten oft verrutscht und sehr schwer über das Maus-Pad gleitet. Abhilfe soll das hier beschriebene PC-Maus-Interface schaffen. Es ermöglicht den Anschluß einer besseren PC-Maus an den ATARI-ST-Computer und kommt ohne Software-Treiber und Hardware-Eingriff in den Computer aus.

Zwar gibt es inzwischen Software-Lösungen, die es ermöglichen serielle Mäuse direkt am ATARI über die serielle Schnittstelle zu betreiben, diese haben allerdings den Nachteil, daß sie einen Software-Treiber benötigen, der nicht immer in allen Programmen problemlos einsetzbar ist.

Anschluß an ATARI-ST

Durch die reine Hardware-Lösung ist das PC-Maus-Interface voll kompatibel zum ATARI-Betriebssystem. Es kann jede serielle PC-Maus, die Microsoft-kompatibel ist oder sich auf dieses Format stellen läßt, angeschlossen werden. Das Interface weist Buchsen zum Anschluß einer ATARI-Maus und einer seriellen PC-Maus auf. Eine weitere Buchse dient zum Anschluß an den Maus-Port des ATARI-Computers. Da die beiden Mausanschlüsse gleichzeitig benutzt werden können, kann außer der ATARI-Maus auch z.B. ein Trackball mit serieller PC-Schnittstelle angeschlossen werden.

Mausformate

Die Schnittstelle einer ATARI-Maus unterscheidet sich erheblich von der einer PC-Maus. Während die ATARI-Maus bei Bewegung über 4 Leitungen phasenverschobenen Impulsfolgen an den Tastaturprozessor liefert (siehe Bild 1), benötigt die PC-Maus nur eine Datenleitung, über die sie in einem bestimmten Format die Daten ihrer Bewegungsänderung und Tastendruck mitteilt (siehe Bild 2).

ATARI-Maus

Aus den phasenverschobenen Impulsfolgen an XA und XB wird die Bewegungsrichtung abgeleitet. Wenn man diese als Binärzahl auffaßt, so zählt die Maus 2 0 1 3 2 0 usw. für eine Linksbewegung und 0 2 3 10 2 usw. für eine Rechtsbewegung. Das gleiche gilt für die vertikale Bewegung der Maus (hier nicht dargestellt).

L = Status linke Taste
1 = Taste gedrückt
R = Status rechte Taste
0 = Taste nicht gedrückt
X0-X7 = x-Achsen Bewegung
Y0-Y7 = y-Achsen Bewegung

Die serielle Schnittstelle des Interfaces ist für eine MicroSoft-Maus programmiert. Bei jeder Bewegung oder bei Tastendruck werden drei Daten-Bytes übertragen (siehe Bild 2 MicroSoft-Format). Die meisten seriellen PC-Mäuse haben auf ihrer Unterseite einen kleinen Schalter, der auf das entsprechende Format, z.B. „MS“ für Microsoft oder „PC“ für PC-Format, gestellt werden kann. Das PC-Format wurde deshalb nicht ausgewählt, weil bei jeder Mausbewegung oder bei Tastendruck fünf Daten-Bytes übertragen werden. Das würde bei sehr schnellen Mausaktionen zu einer merklichen Bewegungsverzögerung des Maus-Cursors auf dem Monitor führen. Dazu ein kleines Rechenbeispiel:

Übertragungszeit MicroSoft-Maus:
1s/1200baud*(10Bit*3Byte)=25ms

Übertragungszeit PC-Maus:
1s/1200baud*(10Bit*5Byte)=41 ms

Bild 1: Logikschaltplan für X-Achse

Schaltung

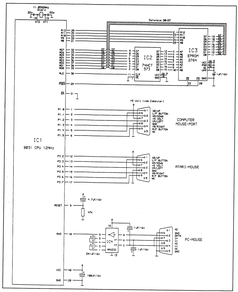
Wie aus dem Schaltbild zu ersehen ist, besteht die Schaltung des PC-Maus-Interfaces hauptsächlich aus dem Einchip-Mikrocomputer 8031, der mit seinen drei I/O-Ports und der eingebauten seriellen Schnittstelle einen sehr kompakten Schaltungsaufbau ermöglicht. Port 0 (AD0 ... AD7) ist ein gemultiplexter Adreß- und Daten-Port. Ein H-Pegel an der ALE-Leitung (Pin 30) deutet an, daß P0 nun die niederwertigen Adreß-Bits A0... A7 führt, die durch IC 2 (74HCT573) zwischengespeichert werden und zusammen mit den Daten an Port 2 (A8 ... A12) die Adresse für das EPROM IC 3 bilden. Ein L-Pegel auf der ALE-Leitung dagegen deklariert Port 0 zum Datentor für das EPROM. Damit sich das EPROM im übrigen angesprochen fühlt, produziert der Microcomputer das PSEN-Signal (Pin 29), mit dem er das EPROM selektiert. Der 8031-Einchip-Mikrocomputer wird mit 11.0592 MHz getaktet. Diese Frequenz ergibt sich aus der Forderung, daß die PC-Maus ihre Daten mit einer Baud-Rate von 1200 Bit überträgt und der interne Timer des 8031-Einchip-Mikrocomputers auf diese Baud-Rate programmiert werden muß.

Bild 2: MicroSoft-Datenformat der PC-Mouse

Mausschnittstelle

Die serielle Schnittstelle der PC-Maus kann nicht direkt an die serielle Schnittstelle des 8031-Einchip-Mikrocomputers angeschlossen werden, da die Maus mit einem anderen Logikpegel arbeitet. Ferner benötigt die Maus eine spezielle Stromversorgung. Die ganze Anpassung und Stromversorgung wird durch das IC 4 MAX232 realisiert. Das IC erzeugt aus seiner Versorgungsspannung von +5 Volt intern eine -10-Volt- und +10-Volt Spannung, die Pin 6 und Pin 2 des ICs als Versorgungsspannung für die PC-Maus geschaltet sind. Die Datenleitung der PC-Maus hat im aktiven Zustand einen Spannungspegel zwischen +10 Volt u. -10 Volt und wird am Ausgang von IC 4 (Pin9) auf +5 Volt und 0 Volt geschaltet.

Links: Der Bestückungsplan Rechts: Das Platinen-Layout

Die ATARI-Maus liegt direkt mit ihren 6 Steuerleitungen an den Eingangs-Ports P3.2 bis P3.7 des 8031-Einchip-Mikrocomputers an. Sogenannte Pull-up-Widerstände sind nicht erforderlich, da diese bereits im 8031-MC integriert sind. Beide Mauseingänge werden intern von der Software gemischt, und die Summe beider Mausbewegungen wird an Port P1.0 bis PI.5 ausgegeben. Dieser Ausgang wird direkt mit dem Mauseingang des ATARI-Computers verbunden. Die Stromversorgung für das Interface liefert der ATARI-Computer an Pin 7 vom Mauseingang. Die Schaltung benötigt ca. 50 mA, wenn man die CMOS-Version des 8031 verwendet. Ferner sollte die PC-Maus nicht nach dem Einschalten des Rechners in das PC-Maus-Interface eingesteckt werde, da sonst die Maus nicht funktionieren könnte.

Rolf Degen

Programmierservice

Der Source-Code für das 8031-Programm und ein fertiges EPROM-File ist auf der MegaDisk zu erhalten. Ein fertig programmiertes EPROM mit der Software für das PC-Maus-Interface kann per Verrechnungsscheck von 25,- über folgende Anschrift bestellt werden:

Rolf Degen, Espenstr.26, 42119 Wuppertal

## Stückliste

ICs:
IC1: 8031 oder 80C31 Einchip-Mikroprozessor
IC2: 74HCT573 oder 74LS573 8-Bit-Latch
IC3: 2764 EPROM IC4 MAX232

Elkos: 1100µF/16V, 14.7µF/16V 5*1µF/16V

Keram. Kondensatoren: 2*22pF

Widerstände: 47KΩ

Sonstiges:
Quarz 11.0592 MHz
29pol SUBD Stecker Lötanschluß
1
9pol SUBD Stecker Lötanschluß
Kunststoffgehäuse

Der Schaltplan des Interfaces
Rolf Degen