Viele Hersteller bieten preiswerte Diskettenlaufwerke an, die untereinander kompatibel sind, so daß ein Anschluß an den ATARI ST durchaus denkbar ist. Wie die Praxis jedoch zeigt, ist die Sache nicht ganz so einfach. Die Probleme, die entstehen, und wie sie zu lösen sind, dies ist in diesem Beitrag sehr genau beschrieben.
Bild 1: Zwei 3 1/2-Zoll CHINON-Laufwerke
In der Januarausgabe wurde bereits die Möglichkeit, ein 5 1/4-Zoll-Laufwerk anzuschließen, erklärt. Interessant ist dies im Zusammenhang mit CP/M oder alten 5 1/4-Zoll-Laufwerken bzw. Disketten und natürlich durch die Tatsache, daß dann IBM-Daten gelesen werden können. In dieser Ausgabe sollen nun zwei doppelseitige (1 Megabyte) 3 1/2-Zoll-Laufwerke an den ATARI ST angeschlossen werden. Besonders für die Besitzer eines 260 ST ergibt sich so eine sehr preiswerte Möglichkeit, zwei absolut zuverlässige, lautlose und zudem in den Abmessungen sehr kleine Laufwerke an den Rechner anzuschließen.
Wo liegen die Schwierigkeiten?
Die Verwendung von Fremdlaufwerken, ohne ein ATARI SF 354 bzw. SF 314, bringt vor allem zwei Probleme mit sich. Erstens muß man sich den ungewöhnlichen, 14-poligen DIN-Floppystecker, selber „bauen“, zweitens ist das Signal zur Unterscheidung de Diskettenseite SIDE SELECT (SS) im Rechner nicht „gepuffert“, so daß dieses Signal beim Anschluß zweier doppelseitiger Fremdlaufwerke überlastet ist. Vollständigkeitshalber muß erwähnt werden, daß sogar drei Leitungen des ST-Floppybusses nicht mit den notwendigen Treiberbausteinen versehen sind. Es sind die Signale SS, DRIVE SELECT 0 (DSO) und DRIVE SELECT 1 (DSl), die übrigens alle vom Soundchip (!) des Rechners erzeugt werden. Die beiden zuletzt genannten Signale DSO bzw. DSl, die zur Auswahl eines der Laufwerke dienen, benötigen keinen Treiber, da sie immer nur an ein Laufwerk angeschlossen werden (Unterschiedliches Setzen eines Jumpers auf den Floppies). Aufmerksame Leser werden sich nun fragen: warum funktioniert es dann mit den ATARI Floppies SF 314? Dies liegt an der Tatsache, daß in der Eingangsstufe des ATARI-Laufwerkes „hochohmige“ Pull-up-Widerstände (2,7k bis 5,6k Ohm) vorhanden sind. Ein Pull-up-Widerstand ist ein Widerstand, der ein Signal (eine Leitung) auf einen definierten Zustand bringt (auf high Potential d. h. +5 Volt). Bei den meisten 3 1/2-Zoll-Fremdfloppies werden hingegen lk Ohm Pull-up-Widerstände verwendet, das ergibt bei zwei Laufwerken (Parallelschaltung) einen Widerstand von nur 500 Ohm. Dieser Widerstandswert ist zu klein für den Rechner; die Folge ist, daß das Side-Select-Signal nicht mehr auf low Potential (0 Volt) „heruntergezogen“ werden kann.
Was tun?
Wenn es möglich ist, sollten Sie einfach den Pull-up-Widerstand der Side-Select-Leitung aus einer Ihrer 3 1/2-Zoll-Floppies entfernen oder den Widerstandswert erhöhen. Dies ist jedoch leider nur sehr schwer möglich, da bei den 3 1/2-Zoll-Floppies die Pull-up-Widerstände meist nicht mehr steckbar sind, wie z. B. bei unserer 5 1/4-Zoll-Floppy der Januarausgabe. Die sicherste Lösung unseres Problems it die: wir müssen dem Side-Select (SS)-Signal einen Treiber (Verstärker) spendieren. Zu diesem Zweck haben wir eine kleine Schaltung entwickelt und eine Platine dazu entworfen (siehe Bild), die unser Problem in eleganter Weise löst. Auf der Platine ist nicht nur der Treiber für die SS-Leitung untergebracht, sondern auch noch das Netzteil, das die benötigten Spannungen ( + 5 und +12 Volt) für zwei Laufwerke liefert. Auf der Platine sind ferner eine Leuchtdiode als Einschaltkontrolle sowie zwei Pfostenstecker, die in Form und Anschlußbelegung mit denen an den Floppies übereinstimmen, vorhanden. Der eine Pfostenstecker wird nun über ein 34-poliges Flachbandkabel mit den zwei Laufwerken verbunden (siehe Bild 2), der andere kann ebenfalls über ein Flachbandkabel mit dem Rechner verbunden werden. Hier begegnen wir dem zweiten Problem, nämlich dieser fremden DIN-Buchse. Aber auch hierfür haben wir eine Platine entworfen (siehe Bild 2), die zwei Fliegen mit einer Klappe schlägt. Einerseits bildet sie einen 14-poligen DIN-Stecker, andererseits bietet diese Platine die Möglichkeit eines 34-poligen Standard-Floppybusses. Mit diesen beiden Platinen und einem 34-poligen Flachbandkabel mit zwei Quetschbuchsen ist es also möglich, gefahrlos zwei Fremdfloppies an den ST anzuschließen.
Beschaffung der Bauteile
Da wir nur Standardbauteile verwendeten, dürfte es kein großes Problem sein, die erforderlichen Bauteile (siehe Stückliste) zu bekommen. Dabei sollten Sie allerdings ein gutes Elektronikgeschäft aufsuchen. Kleine Probleme könnte es bei der Beschaffung des Spulendrahtes geben, der für die Floppy-Stecker-Platine benötigt wird. Wir verwendeten versilberten Spulendraht mit 1,2 mm Durchmesser, wie er in der Hochfrequenztechnik zur Herstellung von Spulen gebraucht wird. Ist dieser Draht nicht zu erstehen, muß man sich auf die -weiter unten beschriebene - „Heißklebertechnik“ beschränken.
Stückliste für Netzteil und Treiber:
|
Bauteil |
Anzahl |
Wert / Typ |
Nr. |
|
Widerstände: |
1 |
1,5 k Ohm |
RI |
|
|
1 |
3,3 k Ohm |
R2 |
|
Kondensatoren: |
1 |
47 nF |
C5 |
|
|
1 |
220 nF |
CI |
|
|
2 |
10 uF/l6V (Tantal) |
C3,C4 |
|
|
1 |
2200 uF/25V (Elko, stehend) |
C2 |
|
Halbleiter: |
1 |
Brückengleichrichter B40 CI500 (rund) |
GL |
|
|
1 |
IC SN 7407 (Treiber, Open Collector) |
IC3 |
|
|
1 |
IC Spannungsstabilisator 5 Volt (7805) |
IC1 |
|
|
1 |
IC Spannungsstabilisator 12 Volt (7812) |
IC2 |
|
|
1 |
Leuchtdiode (grün, 3 mm Durchmesser) |
Dl |
|
Sonstiges: |
1 |
doppelreihiges Pfostenleiste (min. 21 polig) |
FL |
|
|
1 |
einreihige Pfostenleiste (min. 13 polig) |
ST |
|
|
6 |
Lüsterklemmen für Printmontage |
LK |
|
|
1 |
Netztrafo 12-14 V / ca. 1 Ampere (= 12 VA) |
TR |
|
|
1 |
Netzleitung |
|
|
|
1 |
doppelter Ein-Aus Schalter (220 V) |
S |
|
|
1 |
IC Fassung Dil 14 |
|
|
|
1 |
Platine (ST 002 ub) |
|
|
|
3 |
Quetschbuchsen 34-polig |
|
|
|
30 cm |
34-poliges Flachbandkabel |
|
|
|
evtl. 2 |
Kühlkörper für Spannungsstab. |
|
|
|
evtl. 1 |
Gehäuse (für 2 Floppies und Netzteil) |
|
Floppy-Stecker-Platine:
Sonstiges:
1 doppelreihige Pfostenleiste (min. 17 polig)
ca. 30 cm versilberten Spulendraht 1,2 mm 0
1 Platine (ST 001 ub)
2 Quetschbuchsen 34-polig
1 m 34-poliges Flachbandkabel
Die Platinen
Der etwas versiertere Elektronik-Bastler kann sich die Kupferplatinen selbst herstellen, da das Original-Layout im Maßstab 1 : 1 abgedruckt ist. Derjenige, der diese Möglichkeit nicht besitzt, kann die fertigen Platinen auch beim Heim-Verlag bestellen. Der genaue Preis lag bei Redaktionsschluß leider noch nicht vor (etwa DM 20,-).
Die Schaltung
Bild 3: Bestärkungsseite
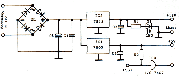
Um die Abmessungen der Platine und den Preis klein zu halten, besteht die Schaltung nur aus einem Treiber IC und einem einfachen Netzteil. Aus diesem Grund werden auch die beiden Ausgangsspannungen von +5 und +12 Volt nur aus einer Wechselspannungsquelle erzeugt. Dies bedeutet aber, daß der 5 Volt-Regler (IC1) eine relativ hohe Verlustleistung zu „verbraten“ hat, er muß deshalb gut gekühlt werden. Optimal wäre ein Trafo, der eine Wechselspannung von 13 - 14 Volt liefern würde. Da ein solcher aber nur schwer zu bekommen sein dürfte, kann bei einer guten Kühlung von IC1 auch ein Trafo mit einer Sekundärspannung von 15 Volt verwendet werden. Ist der benötigte Ausgangsstrom der 12-Volt-Spannung nicht zu groß, reicht (wie bei unserem Labormuster) ein Trafo mit 12 Volt Ausgangsspannung aus. Bei diesem Muster konnten wir mit einer Aluplatte von ca. 10 x 10 cm als Kühlfläche bei +5 V einen Strom von ca. 350 mA und bei +12 V einen von ca. 400 mA entnehmen. Das reicht normalerweise für zwei 3 1/2-Zoll Floppies aus. Bei den größeren 5 1/4-Zoll Laufwerken ist die Stromabgabe nur noch für eine Floppy ausreichend. Wie auf den Fotos zu erkennen ist, sind bei unserem Labormuster alle Verbindungen steckbar ausgeführt. Da diese Quetschverbindungen nicht gerade billig sind, kann der geübte Bastler eventuell die eine oder andere Verbindung weglassen und ein Kabel direkt an die Platine löten.
Layout der FSP
Aufbau und Bestücken der Treiberplatine
Anhand des Schaltbildes, der Stückliste und der Bilder dürfte das Bestücken der Platine keine Schwierigkeiten bereiten. Man muß allerdings auf die richtige Polung der drei Eikos achten; da jedoch auf der Platine jeweils der Pluspol (+) markiert ist, wie auch bei den Eikos, sollte keine Verwechslung der Anschlüsse möglich sein. Der Gleichrichter (GL) mit seinen vier Anschlüssen ist so einzulöten, daß der mit (+) gekennzeichnete Anschluß auch mit dem entsprechend markierten Loch der Platine übereinstimmt. Die beiden ICs zur Spannungsstabilisation ICl und IC2 zeigen mit ihrer Kühlfläche (Metallfläche) nach außen. Während des Betriebs müssen diese durch eine ausreichend große Metallfläche (ca. 152 cm) gekühlt werden. Dies gilt besonders für das 5-Volt-Stabilisator-IC. Dazu werden die ICs mit jeweils einer kleinen Schraube (M3) mit der Gehäuserückwand oder einem Kühlkörper verschraubt. Es sei noch bemerkt, daß die Metallfläche der beiden ICs intern mit Masse verbunden ist, folglich ist ein mit diesen verschraubter Kühlkörper auch mit Masse verbunden. Das Treiber-IC (IC3) muß beim Einsetzen in die Fassung mit seiner Kerbe zum Kondensator C5 (47nF) zeigen. Der Pin eins ist außerdem auf der Platine markiert. Die Leuchtdiode wird mit der Anode, das ist meist das etwas längere Anschlußbeinchen, an den Widerstand RI (1,5k Ohm) gelötet. Die Diode kann bei Bedarf auf der Frontplatte des Gehäuses montiert werden, sie wird dann über zwei Leitungen mit der Platine verbunden. Bei allen anderen Bauteilen kann man wohl nichts falsch machen.
Herstellung bzw. Bestücken des Floppy-Steckers
Grundsätzlich sind der Phantasie hier keine Grenzen gesetzt. Zwei Methoden haben sich bei uns bewährt. Die erste ist die sogenannte „Heißkleber-Methode“. Dazu benötigen Sie 14 lange Lötnägel, deren „Verdickungen“ Sie abfeilen müssen; oder besser Sie besorgen sich 14 Stifte aus alten DIN-Steckern (heißmachen und herausziehen) und löten diese an die Enden eines 14-poligen Kabels. Die Stifte werden nun in die Floppy-Buchse des ST gesteckt, und anschließend wird das Ganze, Stifte und ein Stückchen Kabel (zwecks Zugentlastung) mit Schmelzkleber vergossen. Der ordentliche Bastler macht sich natürlich vor dem Vergießen eine Liste mit der Zuordnung von Kabelfarben und Pinnummern. Das andere Ende des Kabels kann dann (nach Tabelle 1) mit einer Pfostenleiste (Buchse) oder auch direkt mit der Treiberplatine verlötet werden.
Layout der Treiber- und Netzteilplatine
Für die zweite Methode wird unsere Floppy-Stecker-Platine (siehe Bild 4 + 5) verwendet. Dies hat den Vorteil, daß man sich um die Pinbelegung des Steckers und des 34-poligen Busses keine Gedanken machen muß. Außerdem ist die Herstellung des eigentlichen Steckers relativ einfach. Es soll aber nicht verschwiegen werden, daß in beiden Fällen die Herstellung des Floppy-Steckers eine etwas diffizile Arbeit ist.
Tabelle 1
|
34-poliger Standard Bus Pin |
DIN Buchse am ST Pin |
Signal |
|
2 |
_ |
_ |
|
4 |
- |
ln Use / Head Load |
|
6 |
- |
Drive Select 3 |
|
8 |
4 |
Index / Sector |
|
10 |
5 |
Drive Select 0 |
|
12 |
6 |
Drive Select 1 |
|
14 |
- |
Drive Select 2 |
|
16 |
8 |
Motor On |
|
18 |
9 |
Direction Select |
|
20 |
10 |
Step |
|
22 |
11 |
Write Data |
|
24 |
12 |
Write Gate |
|
26 |
13 |
Track 00 |
|
28 |
14 |
Write Protect |
|
30 |
1 |
Read Data |
|
32 |
2 |
Side Select (0) |
|
34 |
- |
Ready |
|
1,3-,31,33 |
3,7 |
Ground (0V) |
Doch nun zur Sache. Als erstes schneiden Sie sich 14 Drahtstücke mit einer Länge von genau 2 cm zurecht. Der Draht muß, wie oben erwähnt, einen Durchmesser von 1,2 mm haben, damit er in die Floppy-Buchse des Rechners paßt. Die Enden dieser Drahtstücke werden noch mit einer Nagelfeile o. ä. abgerundet. Jetzt können Sie die drei inneren Anschlußpins der Platine mit den Drahtstücken bestücken. Dazu wird ein Drahtstück mit einer Flachzange von der Lötseite her so durch ein Loch der Platine gesteckt, daß der Draht knapp 1 mm auf der Bestückungsseite herausragt (siehe Bild 4). In gleicher Weise ist mit allen anderen Pins zu verfahren. Es ist darauf zu achten, daß die Löcher der Platine nicht zu groß gebohrt werden (1,2 mm), da sonst ein guter mechanischer Sitz der Drahtstücke nicht gewährleistet ist, und ein bloßer Halt durch Verlöten könnte die Kupferbahnen von der Epoxyd-Platine abreißen. Aus diesem Grund ist es auch sinnvoll, erst vier Drahtstücke einzustecken, auszurichten und dann erst die ersten drei Drahtstücke mit der Platine zu verlöten usw.. Ist die Platine fertig bestückt, kann ein „Eingießen“ der Lötstellen mit einem Zwei-Komponenten-Kleber (z. B. UHU plus) den mechanischen Halt der Drahtstifte noch erhöhen . Dies ist jedoch bei korrektem Sitz der Stifte nicht unbedingt erforderlich. Zu guterletzt werden noch die doppelreihige Pfostenleiste und die fünf Drahtbrücken auf der Bestückungsseite festgelötet.

Bild 4: Bestückungsseite (FSP) / Bild 5: Lötseite (FSP)
Der Zusammenbau aller Komponenten
Der fertige Floppystecker und die Treiberkarte werden über ein 34-poliges Flachbandkabel, das an beiden Enden mit einer Quetschbuchse versehen ist, derart miteinander verbunden, daß eine 1: 1 Verbindung besteht, d. h. Pin 1 der Floppy-Platine wird wieder mit Pin 1 der Treiberkarte verbunden usw.. Ebenso ist die Verbindung von Treiberkarte zu den beiden Floppies zu gestalten. Hierbei ist kaum etwas falsch zu machen. Etwas mehr Sorgfalt ist hingegen bei der Stromversorgung angebracht. Ein Vertauschen der +5 und +12 Volt Spannung würde den sicheren Tod Ihrer Floppy-Laufwerke bedeuten. Vergewissern Sie sich deshalb ganz genau, wo bei Ihren Floppies die + 5 bzw. die +12 Volt anzuklemmen sind. Die Treiberkarte benötigt eine Wechselspannung von 12 bis 14 Volt und einen Strom von max. 1 Ampere. Diese Spannung wird von der Sekundärseite eines Trafos, der in das Gehäuse der Floppies eingebaut werden kann, abgenommen. An die Primärseite des Trafos wird über einen Schalter, der auf der Rückseite des Gehäuses montiert wird, ein Netzkabel angelötet. Doch bitte beachten Sie, daß unbedingt alle Leitungen, die eine Spannung von 220 Volt (!) führen, gut zu isolieren sind. Selbstverständlich darf nur an den Leitungen „gearbeitet“ werden, solange der Netzstecker gezogen ist!
Bevor man einen ersten Probelauf startet, ist eine Floppy auf Drive Select 0 (DSO) und die andere auf Drive Select 1 (DS1) einzustellen. Dies ist durch Umstecken eines Jumpers (kleiner Verbindungsstecker) auf den Floppies möglich. Nach Kontrolle aller Verbindungen sollte zuerst das Netzteil geprüft werden. Zu diesem Zweck trennt man die Verbindung zu den Floppies ab und misst nach dem Einschalten die Spannungen an den Lüsterklemmen. Liegen die richtigen Spannungswerte vor ( + 5 und +12 Volt), so kann nun ein Laufwerk angeschlossen werden. Dieses sollte nach dem Einschalten der Spannungsversorgung und des Rechners das TOS booten. Funktioniert jetzt noch alles einwandfrei, dann kann eine leere Diskette formatiert werden. Erscheint kurz darauf die Meldung, daß ca. 720 KBytes freier Speicher auf der Diskette zur Verfügung stehen, so hat man die erste Hürde erfolgreich überwunden. Erscheint jedoch eine Meldung, die einen wesentlich größeren Speicherraum zu Verfügung stellt, so ist das meist ein Zeichen dafür, daß das Side-Select-Signal die Floppy nicht oder nicht korrekt erreicht. In diesem Fall muß der Treiberbaustein überprüft werden. Ist bis jetzt alles positiv verlaufen, so kann nun, nach dem Ausschalten aller Geräte, auch die zweite Floppy angeschlossen und in gleicher Weise, wie gerade beschrieben, verfahren werden. Wahrscheinlich dürfte jetzt nichts mehr schiefgehen, und Sie sind stolzer Besitzer zweier 1-Megabyte-Laufwerke. Bei uns arbeiten seit geraumer Zeit zwei CHINON-Laufwerke des Typs F-354C einwandfrei. Selbstverständlich funktionieren auch andere Laufwerke wie z. B. TEAC FD 35 F mit der hier beschriebenen Schaltung am ATARI ST. Denkbar ist auch der Anschluß zweier 5 1/4-Zoll-Floppies, wie das FD-55 FV von TEAC Qanuarausgabe). Eine Bezugsquelle für die oben genannten Laufwerke ist folgende Adresse:
Peter Gebhart - Microsysteme -Lange Straße 59 6370 Oberursel (UB)