
In dieser Artikelserie wird beschrieben, wie man mit sehr wenig finanziellem Aufwand einen ATARI ST gleich in mehrfacher Hinsicht aufbohrt. Eine DEUTLICHE Warnung jedoch vorweg: Ohne ein gerüttelt Maß an Erfahrung und/oder Selbstvertrauen im Basteln an elektronischem Gerät sollten Sie UNBEDINGT die Finger von diesem Projekt lassen!
Oft wurde dieses Thema diskutiert, aber niemand wollte es so recht für möglich halten. Hier ist der Beweis: der ATARI- ST ist nach einigen Modifikationen durchaus in der Lage mit höheren Taktfrequenzen als 8MHz zu laufen. Im einzelnen wird nach dem Umbau in Ihrem ATARI folgendes anders sein als vorher:
-
Die Maschine läuft nicht mehr mit 8 MHz,sondern mit 10 oder ggf. mehr und ist auch bei allen Operationen außer Disk Zugriff entsprechend schneller, unabhängig vom Wetter und eventuellen Cache-Trefferquoten.
-
Es ist alles vorbereitet, um ein bis zwei HD-Laufwerke anzuschließen, Betrieb mit normalen Laufwerken und gemischt ist aber natürlich auch möglich.
-
Eine sehr einfache, aber wirkungsvolle Bildschirmvergrößerung fällt ebenfalls ,als Abfallprodukt' an.
-
Sie müssen sich, und das ist ganz klar ein Wemutstropfen, für entweder Farb- oder Monochrombetrieb bei gleichzeitiger Bildschirmvergrößerung oder für alternativen Farb- und Monobetrieb OHNE Bildschirmvergrößerung entscheiden. Dabei gleich die Warnung, daß vom Autor der Farbbetrieb NICHT getestet wurde, aber kein prinzipielles Problem dabei besteht!
Manch eine andere Hardware-Erweiterung funktioniert danach möglicherweise nicht mehr. Nicht betroffen davon sind nachgeprüftermaßen AT-Speed C 16 sowie die RESOLUTION von GengTEC, denn diese arbeiten im Rechner des Autors (ehemaliger 260ST Baujahr uralt), sowie die SCSI-Adapter von ICD. Der Adapter für die c't-Billiglösung läuft nur sicher, wenn er komplett mit ALS- statt LS- Chips bestückt wird (der eine vorhandene HCT-Chip ist schnell genug).
Fleißarbeit
Wie das oft so ist, was man an Geld spart, investiert man an Zeit. Zur Durchführung dieses Umbaus sind eine Reihe von Chips auszulöten und zu sockeln bzw. gegen andere auszutauschen. Doch zunächst sollten Sie unter Verlust der Garantie Ihren Rechner aufschrauben (vorher den Netzstecker ziehen und 5 min. warten!) und einige Voraussetzungen überprüfen:
- Besitzt der ATARI einen Quarz (im Shifter-Blechgehäuse, bei 260/520) oder einen Quarzoszillator (hinter dem MEGABUS) ? Der Umbau der Modelle mit Quarz ist komplizierter und wird nicht so detailliert beschrieben werden. Insbesondere ist bisher kein 1040 einem solchen Umbau unterzogen worden. Obwohl er auch dort wohl funktioniert, ist der geneigte Leser hier im Detail auf reichlich Eigeninitiative angewiesen, am einfachsten ist das Tuning in MEGA STs zu bewerkstelligen.
Die RAMs haben eine Zugriffszeit von 120ns oder weniger? Einem Betrieb mit l0 MHz steht nichts im Wege! Für 12MHz-Betrieb brauchen Sie 80ns oder schneller!
Sie haben bei den TOS-EPROMs, so Sie welche haben, nicht gespart und 250ns Typen genommen? 150ns sollten sie haben, um problemlos zu funktionieren (leider steuert ATARI die ROMs nicht über Output Enable, wobei sie per se schneller sind, sondern über Chip-Select, was recht gemächlich ist und letztendlich der aufgedruckten Geschwindigkeit entspricht). Original TOS-ROMs sind, soweit dem Autor bekannt, keinesfalls zu langsam.
Der Floppy-Controller WD 1772 trägt den Zusatz -02 in der Typenbezeichnung? Dann wird HD-Betrieb tatsächlich möglich sein; bei anderen Controllern wird er wahrscheinlich nicht funktionieren. Für Ihr normales Laufwerk können Sie ihn aber weiterbenutzen.
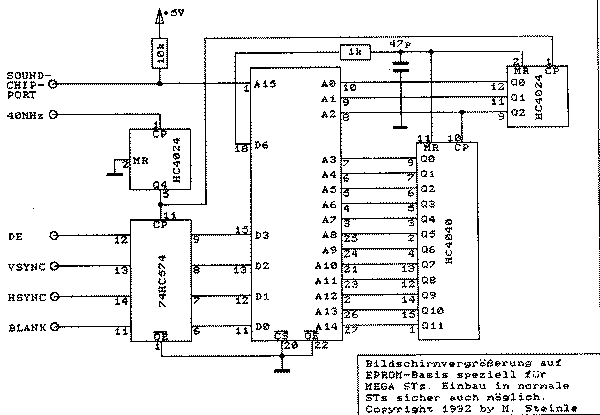
Bild 3: Schaltung EPROM-Sequencer
Wie funktioniert das nun eigentlich?
Jahrelang hieß es, wegen seines in den CPU-Zyklus verwobenen Video-Zugriffs sei der ATARI nicht mit mehr als den serienmäßigen 8MHz zu betreiben. Dabei ging man immer davon aus, ein eh nur einen anderen Taktgeber einzubauen und dann ginge es (schneller). So einfach funktioniert das nicht, doch werfen wir einen Blick auf alle dabei auftretenden potentiellen Knackpunkte:
Bei höheren Taktfrequenzen wird das gesamte Bildschirm-Timing auch schneller werden, da es im ATARI aus dem Systemtakt abgezählt wird. Leute, die einen leistungsfähigen Multiscan an ihrem ATARI betreiben, werden darüber nur milde lächeln, doch standardmäßige Monitore darf man nicht mehr anschließen, es sei denn, man baute eine kleine Hardware, die ein VideoTiming wie bisher erzeugen und es dem ATARI unterschieben würde. Eine solche Hardware in einfachster und billigster Form wird im Laufe dieses Artikels beschrieben werden.
- Höhere Taktfrequenzen könnten CustomChips, RAMs und ROMs in Zeitnot bringen. Das tritt auch ein, doch lassen sich im RAM-Timing bei Treibern und Latches wertvolle Nanosekunden sparen. ROMs und RAMs kann man ggf. gegen schnellere austauschen. Die Custom-Chips vertragen nach Erfahrung des Autors den höheren Takt klaglos. Unrühmliche Ausnahme ist (mal wieder) der Blitter, der zumindest in einem MEGA 2.5 des Autors bei 12 MHz NICHT mitspielt, wohl aber bei l0 MHz.
Die Töne, die der Soundchip erzeugt, stimmen nicht mehr. Daher werden wir ihn wie bisher mit 2MHz versorgen müssen.
Die Tastaturschnittstelle mit ihrer seriellen Übertragung hängt auch am 8-MHz-Systemtakt, weswegen wir auch hier den Originaltakt anlegen müssen. Als angenehmer 'Nebeneffekt' bleibt dabei die Funktion von MIDI erhalten ...
Monitorsteuersignale
Zum Betrieb eines SM-124-Monitors erzeugt der ST die üblichen Synchronsignale
VSYNC und HSYNC. Ersteres bestimmt die Bildwiederholfrequenz und tritt 71,3-mal
und damit häufiger als 70mal pro Sekunde auf, weswegen das Bild so schön
flimmerfrei ist. Letzteres liegt mit einer Frequenz von 35,7 kHz vor, was für
Fernseher und preiswerte TTL-Monitore deutlich zuviel ist. Sogenannte
VGA-Monitore verkraften diese Zeilenfrequenz jedoch durchaus teilweise und
Multiscans allemal. Die Bildqualität dieser Monitore am ST ist jedoch recht
mäßig, weil der SM-124 sich das katastrophale Videosignal ( =Träger der
Bildinformation) des ST intern regeneriert, wogegen alle ebengenannten
Fremdmonitore die flachen Flanken getreulich und leider unscharf darstellen.
Daher ist es durchaus sinnvoll,den guten alten SM-124 auch mit der erhöhten
Auflösung weiterzubenutzen. Dabei muß aber beim erstellen des sog.
Sequenzer-EPROMs peinlichst darauf geachtet werden, das (Bild 7) abgebildete
Original-Timing des SM 124 einzuhalten! Dieses Timing entstammt übrigens den
Original Serviceunterlagen.
Die Leitung 'DE', von der im Artikel die Rede ist, teilt dem Shifter mit, wann
und für wie lange er Words aus dem Hauptspeicher als Pixel ausgeben soll.
'BLNK' schließlich tastet den Bildschirm dunkel, ist jedoch nur für die
Farbmodi relevant und wird vom abgedruckten EPROM-Generator einfach syncron zu
'DE' gesetzt.
Werfen Sie einen genauen Blick auf die untenstehenden Zeitdiagramme einer Zeile
resp. eines Bildes, bis Sie die Vorgänge richtig verstanden haben, bevor Sie
den Inhalt des Sequencer-EPROMs manipulieren!
|
Last not least muß der Floppycontroller mit weiterhin 8MHz versorgt werden, sonst kreieren Sie sich ab sofort ein höchst persönliches Diskettenformat, was Sie sicher nicht wollen. Bei der Gelegenheit bietet sich an, gleich HD-Betrieb vorzusehen, weshalb in dieser Umbauanleitung auch die 793. Anleitung für einen HD-Adapter zu finden sein wird.
... geht es nun nach soviel Vorgeplänkel. Zum Auslöten aller im folgenden aufgeführten Chips sollten Sie sich, in der Reihenfolge der Tauglichkeit, irgendwelche der folgenden Utensilien zurechtlegen:
Entlötkolben mit Vakuumpumpe (geht wunderbar, bloß hat nicht jeder so ein Ding)
Entlötpumpe UND Entlötlitze in Verbindung mit einem nicht zu schwächlichen Lötkolben, besonders wegen letzterer
Von Kanülen (siehe diverse Quicktips) und ähnlichem wird dringend abgeraten, doch möge jeder nehmen, womit er am besten zurechtkommt.
Vier Tips noch dazu:
Auch sorgfältig von Zinn befreite Pins neigen dazu, noch an einer Ecke zu 'kleben'. Daher bewegt der Autor jeden einzelnen Pin mit einer Flachzange, bevor er am ganzen Chip hebelt. Dieses Verfahren ist sehr platinenschonend, wenn vorher gut abgesaugt wird.
Der zweite Tip betrifft den Lötkolben: Entgegen landläufiger Meinung ist der Autor der Auffassung, daß es insbesondere beim Entlöten keine zu starken Lötkolben gibt. Immerhin müssen an einigen Stellen große Kupferflächen mit erhitzt werden, um das Zinn absaugen zu können.
Das tödlichste für Platinen ist seitliches Ausüben von Druck auf Löt-Pads, weil die Verklebung des Kupfers mit dem Basismaterial unter Hitzeeinwirkung das schwächste Glied in der Kette ist. IMMER OHNE DRUCK nach der Seite die Pins erhitzen!
- Nicht vollständig freigesaugte Pins vor dem erneuten, Absaugen frisch löten, da so der Wärmeübergang vom Lötkolben weit besser ist!
Auszulöten aus der Platine sind folgende Bauteile:
- CPU 68000-8, leider. Diesen Chip funktionsfähig unter Zurücklassung einer intakten Platine auszulöten ist zweifellos das Entlöter-Meisterstück.
- Floppycontroller WD 1772. Mit seinen nur 28 Pins ist das gegenüber der CPU direkt ein Kinderspiel.
- die vier Treiber resp. Latches in der Nähe der MMU (2x74LS244 und 2x74LS373)
- der integrierte Quarzoszillator in der Nähe des Megabusses. In Modellen mit normalem Quarz bleibt dieser erstmal an Ort und Stelle.
Die CPU und die Treiber/Latches werden übrigens nicht weiterverwendet, Sie könnten sie also auch abzwicken vor dem Auslöten, doch sooo gut wie oft behauptet funktioniert das auch nicht, und besonders schonend für die Leiterplatte ist es wegen der großen Kräfte nicht gerade.
Das HD-Interface
Die Schaltung des HD-Interfaces können Sie Bild 5 entnehmen. Sie beinhaltet
keine Außergewöhnlichkeiten; abhängig vom Zustand der beiden
Drive-Select-Leitungen und der HD-Detect-Leitung werden entweder 8 oder 16 MHz
über einen Analogmultiplexer an den Floppy-Controller gelegt. Im Ruhezustand
liegen 8 Mhz an und nur bei Zugriff auf eine HD-Diskette wird hochgeschaltet
auf 16 MHz. Der Zähler liefert noch die 2 Mhz für den Soundchip und die 500 kHz
für die beiden ACIA's.
Für Mischbetrieb eines normalen und eines HD-Laufwerkes müssen Sie dem normalen Laufwerk die Fähigkeit nachrüsten, auf der HD-Detect-Leitung den Typ der eingelegten Diskette zu melden. Das läßt sich ganz einfach bewerkstelligen, indem man von der Drive-Select-Leitung des Laufwerks ( am besten hinter dem Jumper, mit dem man den Betrieb als Laufwerk A oder B wählen kann! ) aus eine Schottky-Diode ( z. B. BAT 85 ) mit der Anode an die HD-Detect-Leitung ( Leitung 2 des Shugart-Busses ) legt ( =Markierungsstrich an Drive-Select, siehe Bild 6 ) . Damit wird die Leitung HD-Detect immer dann auf Low gezogen, wenn das Laufwerk selektiert wird, entsprechend geht der Floppy-Controller völlig zu recht von einer DD-Diskette aus. Der Vorteil dieser umständlich anmutenden Prozedur ist, das die Floppies, z. B. in einem Towergehäuse, ganz normal mit Flachbandkabel verdrahtet, und ggf. auch gegeneinander ausgetauscht werden können, und für die HD-Floppies, die ja schließlich nichts für die Dummheit ihrer älteren Kollegen können, kein Zusatzaufwand nötig ist.
Für ausschließlichen Betrieb von normalen Floppies genügt es natürlich, 'HD'
fest auf Masse zu legen.
|
... geht er noch?
Wenn alle Teile ohne Schaden für die Leiterplatte draußen sind, sollten Sie überall Sockel (scheuen Sie sich nicht, die paar Pfennige für gedrehte Kontakte auszugeben ... ) einlöten (für den Quarzoszillator entweder vier Einzel-Pins verwenden oder von einer 14poligen Fassung die Pins 2-6 und 9-13 abkneifen) und die neuen Bauteile wie folgt einstecken:
-
ein neuer 10-12MHz-68000, je nach Optimismus bezüglich der erzielbaren Taktfrequenz
-
zwei neue 74ALS244 oder 74F244 statt der 74LS244
-
zwei neue 74ALS373 oder 74F373 statt der 74LS373
-
den alten Floppycontroller
Weiterhin muß die Terminierung einiger Leitungen verbessert werden: Zunächst der Adreßbus (Pin 29-48/50-52 der CPU), im Original 'terminiert' mit 10k-Netzwerken (bei 260/520/1040ST) oder immerhin 4k7 (im MEGA ST), muß mit im Ergebnis ca. 3k3 abgeschlossen werden. Das geht, indem man zu den vorhandenen 10k-Netzwerken welche mit 4k7 parallelschaltet (bzw. umgekehrt), oder man macht sich die Arbeit und lötet neue 3k3-Netzwerke ein. Noch wichtiger ist der Ersatz des 1k-Pull-Up-Widerstands an derReset Leitung des Prozessors (von Pin 18 aus mit dem Ohmmeter suchen!) durch 560 Ohm (beim MEGA 1 ist es R4 unter dem Netzteil, beim 260ST ist es einer der 1k-Widerstände in der Nähe der CPU, zumeist R31). Unterläßt man letzteres, so bootet der Rechner mit 12MHz nicht mehr, weil die CPU als zweiten Befehl einen Peripherie-Reset durchführt und die Peripherie (namentlich der GLUE und mit ihm das ROM) wegen des lansamen RESET-Signals zu spät aus dem Tiefschlaf zurückkommt (das dürfte auch der Grund sein, warum manche Rechner mit Turboboards dann nicht mehr booten ...). All diese Werte bewegen sich übrigens weit innerhalb der CPU-Spezifikation! Bei vielen Rechnern ist es auch erforderlich, das Videosignal im Pegel zu erhöhen (Symptom: an den Wortgrenzen auf dem Bildschirm leichte Störungen). Das geht, indem man vom Shifter-Pin 30 ausgehend mit dem Ohmmeter einen 1k-Widerstand (MEGA 1: R82,260ST: R45, trotzdem kontrollieren!!) sucht, der daran hängt, und diesen gegen 560 Ohm austauscht. Dabei wird die Grundhelligkeit des Bildes allerdings höher, was jedoch mit den Kontrast- und Helligkeitsstellern am Monitor in den Griff zu bekommen ist. Wenn Sie jetzt den Rechner probehalber in Betrieb nehmen (bitte Vorsicht mit der offenen Netzspannung im Netzteil), sollte er GANZ NORMAL funktionieren, denn schließlich haben wir bisher noch nichts geändert, sondern nur Arbeit und Geld investiert. Als ersten Schritt hin zum aufgebohrten ATARI werden wir nun den Floppycontroller, den Soundchip und die ACIAs mit eigenen Taktleitungen versehen. Dazu sollten Sie die erste kleine Leiterplatte (Bild 1) folgendermaßen bestücken:
Bild 4: Anschlußschema EPROM-Sequencer
Bild 5: Floppycontroller-Adapterschaltung
-
die Löcher für die Pins des Floppycontrollers müssen so groß gebohrt sein, daß man Pins von gedrehten Sockeln bis zum Kragen durchschieben kann. Die Pins von oben und unten vorsichtig verlöten, ohne die Kelche zuzulöten und ohne die eigentlichen Pins mit Zinn zu benetzen. Dabei hat es sich bewährt, die Pins in einer 28-poligen Fassung zu führen, damit sie hinterher schön in Reih' und Glied stehen. Pin 18 (das ist der Clock-Pin) schließlich so weit abfeilen, daß er, im ATARI eingebaut, ganz sicher nicht mit dem darunterliegenden Sockel Kontakt bekommt!
-
alle Durchkontaktierungen (sieben an der Zahl unter dem WD 1772 und eine unter dem 74HC4040) herstellen
-
den 74HC4040 und den 74HC4051 ohne Sockel bestücken und beidseitig verlöten. Für diese Bausteine ist HCT vorteilhaft, jedoch schwerer erhältlich
-
den 32MHz-Oszillator von der Hauptplatine bzw. im Falle eines 260/520/1040ST einen zusätzlich gekauften, an die vorgesehene Stelle einlöten, ebenfalls ohne Sockel
-
oberhalb des Oszillators fünf Kabel von vorläufig ca. 30cm Länge einlöten
-
die bestückte Leiterplatte sorgfältigst sichtkontrollieren, danach den WD 1772 einstecken und die gesamte Anordnung in den Floppycontroller-Sockel auf der Hauptplatine stecken
-
Nur beim Umbau eines MEGA ST muß noch an Pin 10 des 74HC4040 provisorisch ein Stück Kabel angelötet und das andere Ende in den Pin 7 der Oszillatorfassung auf der Hauptplatine gesteckt werden, damit der Rechner weiterhin seinen Master-Takt bekommt. Sonst (260/520/1040ST) ist ja der Hauptoszillator noch nicht angetastet worden.
Als nächstes müssen Sie die Kabel wie folgt anschließen:
-
Die mit 'DS0' und 'DS1' bezeichnete Leitung kommt an Pin 19 resp. 20 des Soundchips ('YM2149' oder 'AY-3-8910', 40poliges IC).
-
Die Leitung 'HD' löten Sie bitte an Pin 2 des Shugart-Busses zur Floppy, falls Sie planen, ein HD-Laufwerk statt der alten Floppy zu nutzen. Stellen Sie provisorisch eine Brücke zu Pin 1 (Masse) her, denn bisher ist das Laufwerk kein HD-Laufwerk. Andernfalls führen Sie die Leitung nach außen zu Ihrem externen HDLaufwerk (dort provisorisch auf Masse legen!), oder aber legen Sie sie (vorläufig?) schlicht irgendwo auf Masse.
-
Die beiden Taktleitungen lassen Sie erstmal so baumeln, daß sie nichts unbefugt berühren können, denn wir machen wieder einen kleinen Zwischentest:
-
In diesem Zwischenstadium (bezüglich der Sicherheitshinweise möchte sich der Autor nicht ständig wiederholen) zusammengebaut und eingeschaltet, sollte der Rechner ganz normal funktionieren. Erscheint jedoch nach dem Einschalten kein Bild, haben Sie entweder einen Kurzschluß gebaut (das Netzteil 'singt' dann), oder aber die 32MHz-Taktleitung zur Oszillatorfassung ist fehlerhaft. Ist Zugriff auf die Floppy unmöglich, ist vermutlich ein Fehler in der Frequenzteilungsschaltung, der mit Oszilloskop oder Frequenzzähler gesucht werden muß, oder aber die Leitung 'HD' liegt nicht auf Masse. (Siehe auch die erklärenden Hinweise zum HD-Adapter im nebenstehenden Textkasten 1, die hier zu weit führen würden).
-
Im nächsten Schritt des Umbaus wird erstmals etwas nachhaltig zerstört: Sie müssen die Taktleitungen vom GLUE zum Soundchip (2MHz) und zu den ACIAs (500kHz) auftrennen. Dazu sucht man sich am geschicktesten vom Soundchip ausgehend (Pin 22) eine Durchkontaktierung und kratzt auf der anderen Seite HINTER der Durchkontaktierung die Leiterbahn (nur eine!!) durch. So kann man die Leitung '2MHz' von der FloppycontrollerPlatine komfortabel in die Durchkontaktierung löten. Ebenso macht man es mit den beiden ACIAs '6850', sie sitzen unmittelbar benachbart, indem man vom jeweiligen Pin 3/4 (die sind beide zusammengeschaltet) bis zu einer Durchkontaktierung geht, wo die Taktleitungen beider ACIAs bereits zusammen sind, damit hinterher sowohl MIDI als auch die Tastatur normal weiterfunktionieren. Hier wird nun, Sie werden es erraten haben, die Leitung '500kHz' angelötet.
-
Auch an dieser Stelle ist wiederum ein kurzer Test des Rechners angebracht.
Alles ist nun vorbereitet...
... für die Versorgung mit mehr Taktfrequenz. Doch halt, die Anpassung der Bildschirmsynchronsignale fehlt noch. Daher müssen Sie zunächst die Leiterplatte nach Bild 2 bestücken. Dabei gelten ganz analoge Aufbauhinweise wie bei der Floppycontroller-Platine (für den Quarzoszillator werden vier Einzel-Pins in entsprechend große Löcher gelötet!). Für die HC(T)Bausteine können die Sockel eingespart werden, man tut sich dann beim beidseitigen Verlöten der wenigen oben geführten Leitungen leichter (der HC4040 unter dem EPROM kann sowieso nicht gesockelt werden wegen der Bauhöhe). Es geht aber auch mit Fassungen mit gedrehten Kontakten. Das EPROM muß aus naheliegenden Gründen auf alle Fälle wechselbar sein. Die Stiftleiste kann aus Gründen der Bauhöhe gewinkelt sein, muß es aber nicht. Vergessen Sie die Durchkontaktierungen daneben nicht!
Kurz zur Funktion der Schaltung in Bild 3 (die ganze Schaltung bezeichnet man als EPROM-Sequencer, sie ist für einfache Steuerungsaufgaben leicht zweck zu entfremden):
Bild 2: EPROM-Sequencer-Platine
Der 'Master-Takt' von 32 - 48 MHz speist einen als Frequenzteiler durch 32 beschalteten 4024. Die aus diesem kommenden 1 - 1,5 MHz takten das Ausgangsregister, das zur Unterdrückung von Spikes, wie sie aus einem EPROM, dessen Adressen man bei aktiviertem Ausgang einfach hochzählt, zwangsläufig kommen, eingefügt ist. Eine Binärzählerkette, aufgebaut mit dem zweiten 4024 und einem 4040, steuert die Adreßleitungen A0 - A14 des EPROMs an. In den Datenwörtern ist die jeweilige Information abgelegt, ob z.B. VSYNC gerade aktiv oder inaktiv ist.
Die Datenleitung D6 kann durch vorzeitigen Reset der Zähler den Zyklus verkürzen, so daß in Verbindung mit geeigneten EPROM-Inhalten fast jedes beliebige Bildschirm-Timing programmierbar ist. Die Adreßleitung A15, von einem freien Port des Soundchips umgeschaltet, wählt zwischen zwei Auflösungen aus. Denkbar, aber bisher nicht getestet, wäre auch ein Auflegen der Monochrom-Detect-Leitung an A 15, um weiterhin alternativ Farbe und Monochrom wie gewohnt zu haben.
Um die EPROM-Erzeugung kümmert sich das kleine GFA-Programm aus Listing 1. Es erzeugt, wahlweise für 40 oder 48 MHz Master-Takt, ein Standard-EPROM mit 640x400 Punkten in der unteren Speicherseite und dem Pixel-Takt entsprechend mehr Auflösung in der oberen Speicherseite.
Auf der Diskette zum Heft ist eine komfortablere Version des Programms enthalten, ebenso wie der weiter unten beschriebene Treiber für die höhere Auflösung als Quelltext ohne Abtippen. Bei der höheren Auflösung werden die Timing-Spezifikationen des SM 124 exakt eingehalten, was zu 800x400 Punkten bei 40 MHz und 960x400 Punkten bei 48 MHz führt. Da jedoch jeder dem Autor bekannte SM 124 mindestens 480 Zeilen darstellen kann, können Sie mit Hilfe der entsprechend kommentierten Stelle im Listing auch jeweils 480 Punktzeilen erzeugen. Der Modus mit der Originalauflösung in der unteren Speicherseite ist notwendig, um Meldungen von Autoordner-Programmen lesen zu können (nicht so wichtig) und insbesondere, weil der Bildspeicher direkt nach dem Einschalten nicht groß genug ist für mehr Punkte (das allerdings ist entscheidend!).
Sie sollten die Platine fertig, also mit programmiertem EPROM, bestücken, jedoch noch NICHT einbauen!
... weiter basteln

Bild 6: Modifikation älterer Laufwerke für Mischbetrieb

Bild 7: Soll-Timing des SM124
Leider kann Ihnen weiteres Kratzen von Leiterbahnen auf der Hauptplatine nicht erspart werden. Doch zunächst pressen Sie einen 10poligen Pfostenverbinder an Flachbandkabel an und spleißen die Adern auf (Bild 4). Die Leitung 'Port' wird an Pin 14 des Soundchips gelötet. Mit den Leitungen 'DE', 'BLNK', 'HSYN" und 'VSYN' ist es komplizierter: Diese Signale kommen im Original vom GLUE (PLCC-IC links unterhalb des MEGA-Netzteils), von seinen Pins 36 - 39. Diese liegen gegenüber der Seite mit dem Punkt; die Pins sind vom Punkt aus (Pin 1) gegen den Uhrzeigersinn durchnumeriert (von oben gesehen). Von dort gehen im MEGA ST vier Leiterbahnen schräg weg zu vier Durchkontaktierungen. (An dieser Stelle sei den Besitzern der unzähligen Varianten von 1040er-Platinen, aber auch den 260/520ST-Eignern, viel Erfolg beim Suchen entsprechender Durchkontaktierungen gewünscht, nachdem sie überhaupt erst mal den GLUE gefunden haben!). Diese Leiterbahnen werden durchtrennt. Nun wird folgendermaßen neu verdrahtet:
-
An die Durchkontaktierung, die mit Pin 36 verbunden war, kommt die Leitung 'BLNK'. Die benachbarte Litze, die, die auf der Stiftleiste an den gegenüberliegenden unbenutzten Stift führt, wird am GLUE-Sockel an Pin 36 angelötet.
-
Analog schließen Sie Pin 37 ('HSYN'), Pin 38 ('VSYN') und Pin 39 ('DE') an.
Sinn dieser Art der Verdrahtung ist, daß man sich aus einem Stück Stiftleiste 2x4 einen 'Bypass' bauen kann, der jeweils gegenüberliegende Pins verbindet. Ein mit durchkratzten Leiterbahnen, angelötetem Kabel und eingestecktem 'Bypass' probehalber in Betrieb genommener Rechner sollte weiterhin normal funktionieren!
Spannend...
... wird es beim nächsten Schritt. Die Bildschirm-Timing-Adapterplatine wird eingebaut. Das ist im MEGA ST ganz einfach: Die Sockel-Pins des Oszillators kommen in den Oszillatorsockel auf dem Motherboard, dabei zeigt die Stiftleiste zum GLUE.
In den alten 260STs ist im Shifter-Blechkasten auf der Platine ein unbestückter Platz für einen 14poligen Sockel für die Modulatorschaltung. Hier kann man einen Sockel nachbestücken und mittels einiger Zwischensockel wegen des Abschirmkastens den EPROM-Sequencer aufstecken. Danach muß man noch Pin 8 dieser Fassung (40 - 48 MHz Taktausgang) mit Pin 2 des Shifters verbinden, nachdem man die Originalzuleitung zu Pin 2 durchgekratzt hat.
Für andere ST-Modelle kann mangels konkreter Erfahrung keine detaillierte Einbauanleitung gegeben werden; entscheidend ist, die Leiterplatte mit Pin 2 des Shifters (Pin 8 des Oszillators), mit Masse (Pin 7 des Oszillators) und mit +5V (entsprechend Pin 14) zu verbinden. Alle Verbindungen, insbesondere Masse, kurz und dick, besser noch mehradrig, ausführen!!
Fürs erste Einschalten läßt man den 'Bypass' im Kabel und zieht UNBEDINGT DEN MONITOR ab. Der Rechner sollte nun ganz normal booten, bloß daß man nichts davon sieht. Er läuft jetzt bereits mit dem höheren Takt. Nun ist Gelegenheit, mit einem Oszilloskop bzw. Frequenzzähler die Bildschirmsynchronsignale des Sequencers zu kontrollieren: 'VSYN' muß mit 71.3 Hz stabil anliegen, 'HSYN' mit 35.7 kHz und die Signale 'BLNK' und 'DE' ebenfalls, wobei letztere gelegentliche Aussetzer haben, da sie nicht immer aktiv sind während eines Vollbildes (siehe auch erklärender Textkasten 2). Nur wenn Sie sich sicher sind, daß die Signale ok sind, dürfen Sie den Rechner ausschalten, den Bypass entfernen und das Flachbandkabel an den Sequencer anschließen. Beim nächsten Einschalten sollte der Rechner normal funktionieren, bloß nach wie vor ohne Bild. Nun sollten Sie den Monitor anstecken. Der Rechner wird neu booten, denn kein Monitor ist für den ATARI gleichbedeutend mit 'Farbmonitor angeschlossen', und sollte dabei ein weißes Rechteck, wie gewohnt, nur etwas schmaler, zeigen.
Ausgefranste Ränder deuten auf fehlerhafte Synchronsignale oder nicht quarzstabilen Takt hin. Hellgetastete Zeilen im Strahlrücklaufbedeuten Fehler in den 'DE' und 'BLNK'-Signalen. Bildstörungen (insbesondere unmotiviert auftauchende Pünktchen ... ) weisen leider auf zu langsames RAM hin. Daher werden Sie auf 10 MHz zurückgehen oder schnellere RAMs einlöten müssen.
Ist bis hierher alles glatt gegangen, sollten Sie 'NEWVIDEO.S' abtippen, assemblieren und in den Autoordner Ihrer BootPartition (-Diskette) kopieren. Die Funktion dieses Programms entnehmen Sie bitte den üppigen Kommentaren. Es funktioniert am besten als das physikalisch letzte Autoordner-Programm, was sich zunächst durch das einfache Einkopieren auch automatisch einstellt. Wenn alles richtig abgetippt, insbesondere die Konstanten im Programmkopf richtig gesetzt sind, das EPROM den passenden Inhalt hat und alles richtig verdrahtet ist (letzteres wurde immer wieder zwischendurch überprüft), sollte beim nächsten Einschalten nach dem Abarbeiten des Autoordners der vergrößerte Bildschirm erscheinen.
Wie bei allen anderen dem Autor bekannten Bildschirmvergrößerungen muß man auch hier mit ein paar Nachteilen leben:
-
Manche Programmierer halten nichts von mehr Bildschirmfläche (eine aussterbende Spezies).
-
Der VBLANK-Interrupt kommt allenfalls zufällig mal im tatsächlichen Bildrücklauf, weil er nach wie vor vom GLUE erzeugt wird. Daher flimmern Animationen auf einmal so schön. Dieses Problem hat diese Bildschirmerweiterung allerdings gemeinsam mit vielen anderen Grafikkarten bzw. Erweiterungen.
Zum guten Schluß...
... noch ein paar Hinweise: Wenn Sie aus der Monatsdiskette das komfortable EPROM-Konfigurationsprogramm benutzen, denken Sie immer daran, Ihren Monitor nicht zu überlasten. Der kritischste Parameter ist wegen der Kopplung der Hochspannungserzeugung an die Zeilenfrequenz die Horizontalfrequenz. Sie sollte NIE unterschritten (der Monitor synchronisiert dann nicht) und NIE überschritten (die Hochspannung steigt unkontrolliert an) werden. Wesentlich unkritischer ist die Vertikalfrequenz; senken Sie sie ruhig etwas ab gegenüber den 71.3 Hz, das ergibt ein paar Bildzeilen. Irgendwann jedoch wird das Bild durchlaufen wie bei einem defekten Fernseher, dann haben Sie es übertrieben! Sind Sie jedoch Besitzer eines Multiscan-Monitors, können Sie weggehen von den starren Vorgaben 35.7 kHz/71.3 Hz hin zur Leistungsgrenze des Monitors (meist 38 kHz) und zur Flimmergrenze der Augen (individuell unterschiedlich). Wichtig ist dabei noch, daß ein normaler Multiscan auch nur einen 10 MHz-ATARI ohne neues Bildschirm-Timing NICHT verträgt, da 10 MHz/8 MHz x 35.7 kHz mehr als die üblichen 38 kHz ergibt!
Wer auf die Bildschirmvergrößerung keinen Wert legt, kann auch nur die Originalauflösung in ein 256er-EPROM brennen und die Leitung 'port' unbeschaltet lassen. Genauso können auch Besitzer von MEGASCREEN (!) oder PIXELWONDER (?) verfahren, um ihren Rechner weiterhin mit dieser Grafikerweiterung nutzen (sprich: einschalten, denn dann sind diese Schaltungen noch nicht aktiv) zu können. Beim Erstellen von Monitoranpassungen müssen Sie aber UNBEDINGT beachten, daß die Behauptungen der Konfigurationsprogramme zu Horizontal- und Vertikalfrequenz um 1.25 (10 MHz) bzw. 1.50 (12.MHz) ZU NIEDRIG liegen!!
Hinweise, Erfahrungen, Anregungen und Wutausbrüche leiten Sie bitte über die Redaktion an den Autor weiter, insbesondere wären ergänzende Hinweise über einen erfolgreichen 1040er Umbau sicherlich für viele Leser interessant.
Abschließend noch der Hinweis, daß die in der vorangegangenen Artikelserie vorgestellten Hardware-Lösungen kommerziell ohne Zustimmung von Redaktion und Autor nicht verwertet werden dürfen.
Stückliste
1 MC 68000 -10 od. -12
1 Quarz-Oszillator 40 oder 48 Mhz
1 Quarz-Oszillator 32 Mhz ( nur für nichtMEGA ST )
2 74HC(T)4040 ( Sequencerplatine, Floppy-Adapter )
2 74HC(T)4024 ( Sequencerplatine )
1 74HC(T)4051 ( Floppy-Adapter )
1 74HC(T)574 ( Sequencerplatine )
2 74ALS244 od. F244 ( Motherboard )
2 74ALS373 od. F373 ( Motherboard )
1 27C512 od. ggf. 27C256 ( siehe Text )
1 4K7 ( Sequencerplatine )
1 1K ( Sequencerplatine )
1 47pF ( Sequencerplatine )
2 100nF ( Sequencerplatine )
2 560 Ohm ( Motherboard )
2 10K x 8 SIL ( nur MEGA ST, Motherboard )
2 4K7 x 9 SIL ( nur 260/520 ST, Motherboard )
alternativ 2 x 3K3 x 8 resp. 2 x 3K3 x 9 für fleißige Leute
2 28polige Fassung ( Sequencerplatine, Motherboard )
4 20polige Fassung ( Motherboard )
1 64polige Fassung ( Motherboard )
36 Einzelpins ( Motherboard )
1-3 14polige Fassung ( Motherboard, Zwischensockel )
1 Pfostenleiste 2 x 5pol ggf. abgewinkelt
1 Pfostenverbinder 2 x 5pol
etwas Fachbandkabel und normales Kabel
|