← ST-Computer 03 / 1993

ED-Disketten für ATARIs: Ultra-Floppys Do-It-Yourself

Hardware

Es ist mal wieder soweit: Nachdem bereits vor ein paar Monaten ein paar kommerziell vertriebene ED-Module vorgestellt wurden [1], und nachdem die Disketten ständig billiger werden, gibt es jetzt die Gelegenheit für Bastler, em solches Modul selbst nachzubauen. Dadurch wird diese Diskettenart (hoffentlich) populärer und ähnlich wie HD-Disketten ein neuer Standard bei ATARI.

Da das Modul möglichst universell werden sollte, hat es eine ganze Menge Features. Diese sind:

  • Unterstützung von zwei oder vier Laufwerken (je nach Platine);
  • Verarbeitung von Active High- oder Active Low-HD- oder ED-Signalen
  • Invertierung der HD-oder ED-Eingangssignale;
  • zusätzlicher Treiberbaustein für die vom Soundchip kommenden Select-Signale;
  • Autostep mit 3 und 6ms Step-Rate, für jedes Laufwerk getrennt einstellbar;
  • wahlweise Taktzuführung für On-Board-Quarzoszillator oder rechnerinternen 32-MHz-Takt;
  • Realisierung der Logik in GALs, deshalb relativ kleine Platinen;
  • nur wenige engtolerierte Bauteile, deshalb einfache Bauteilbeschaffung.
Abb. 1c: Bestückungsplan L2-Platine, Bestückungsseite

Warnungen...

Überlesen Sie bitte diesen Absatz nicht, auch wenn Ihnen der Anfang bekannt vorkommt. Ziehen Sie bitte bei Arbeiten im Rechner IMMER den Netzstecker aus dem Gerät, und WARTEN Sie etwas nach dem Ausschalten oder Netzstecker ziehen, da es in einigen Netzteilen auch nach dem Ausschalten noch LEBENSGEFÄHRLICHE Spannungen gibt.

Zum Projekt selber sei gesagt, daß bei den (leider) notwendigen Eingriffen in den Rechner (der Floppycontroller muß, falls er in der Hauptplatine eingelötet ist, durch einen Sockel ersetzt werden!) auch eine Beschädigung des Rechners nicht ausgeschlossen werden kann. Außerdem sind a) sowohl die Laufwerke und Disketten sowie der notwendige Floppycontroller recht teuer als auch b) Informationen über die Jumperung der Laufwerke sehr schwer zu beschaffen. Die Jumperung des ED-Laufwerkes sollte der Händler vornehmen. Falls dieser dazu nicht in der Lage ist (weil er wahrscheinlich selbst keine Informationen hat), rufen Sie am besten die nationale Niederlassung des Laufwerksherstellers an und fragen dort um Rat. Hier eine Jumper-Tabelle abzudrucken, hätte wenig Sinn, da sich die Jumperungen schnell (innerhalb von 1 -2 Monaten) ändern und diese Tabellen sofort veraltet wären. Es kann deshalb durchaus zu kleinen Problemen kommen, die aber nicht unlösbar sind.

Abb. 2c: Bestückungsplan E4-Platine, Bestückungsseite

Die Schaltung(en)

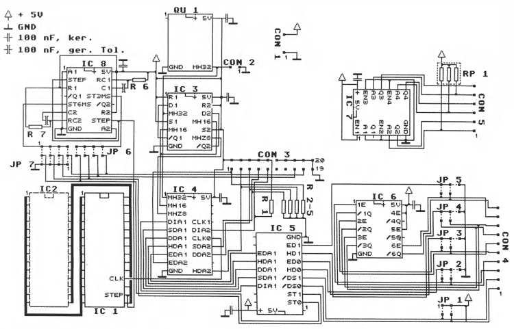
Die Schaltpläne der beiden Module unterscheiden sich nur in den GALs und sind sonst (fast) gleich. Der Übersichtlichkeit zuliebe wird erst der gemeinsame Teil und dann die Unterschiede beschrieben.

Die Stromversorgung findet über "CON 1" statt. Hierbei wird Masse an Pin 1 (immer der ECKIGE Pin) und 5 V an Pin 2 angeschlossen (logisch!). Am besten bestückt man "CON 1 ", wie in der Stückliste angegeben, mit einer Schraubklemme. Allerdings kann man die Kabel auch direkt auf der Platine des Moduls festlöten. Dieses Vorgehen spart zwar Platz (in der Höhe), ist aber bei Reparaturen sehr unpraktisch. Die Stromversorgung für den FDC auf der Modulplatine ist von der über "CON 1" getrennt, damit, falls die Anschlüsse verpolt werden, der FDC nicht zerstört wird. Wenn Sie die Anschlüsse an "CON 1 " vertauscht haben, sollten Sie gar nicht erst versuchen, das Modul zu retten, sondern sich gleich alle ICs neu kaufen, da diese garantiert zerstört sind (falls Sie den Rechner angeschaltet haben, sonst natürlich nicht!).

Der Takt, der entweder vom Quarzoszillator auf dem Modul erzeugt oder über "CON 2" (Pin-Belegung siehe Abb. 9) von der Hauptplatine eingespeist wird, wird direkt an das entsprechende GAL weitergeleitet und nebenbei durch zwei D-Flipflops, die in einem 74LS74 integriert sind, auf 16 MHz und 8 MHz heruntergeteilt, wie in [2) beschrieben und in [3] angewendet. Eine genaue Beschreibung der Funktionsweise der Flipflops würde hier zuviel Platz beanspruchen, sie ist aber auch nicht notwendig. Diese beiden anderen Taktleitungen sind ebenfalls, wie der 32-MHz-Takt, an das entsprechende GAL angeschlossen. Zur „Weiterverarbeitung“ dieser Signale später mehr. Wenn die externe Signalzuführung über „CON 2“ benutzt wird, darf der Quarzoszillator natürlich NICHT bestückt werden (sonst gibt’ s Chaos)!

Abb. 3c: Bestückungsplan E2-Platine, Bestückungsseite

Der Autostep wird durch einen 74LS123 verwirklicht. Da dieser (praktischerweise) gleich zwei Monoflops enthält, wurden 3ms und 6ms Step-Rate möglich gemacht. Doch nun zur Funktion des Autosteps. Bei 8 MHz FDC-Takt stimmt die Step-Rate immer, bei 16 MHz bzw. 32 MHz FDC-Takt halbiert bzw. viertelt sie sich jedoch. Diese 1.5ms bzw. 0.75ms sind jedoch für die Floppy-Laufwerke viel zu schnell. Wenn man die Laufwerke mit solch schnellen Taktimpulsen bombardiert, kann es schnell passieren, daß der Kopf auf der falschen Spur landet, und die Meldung „Daten auf Disk A defekt...“ erscheint. Wie in [3] schon gesagt, ist der eigentliche Step-Impuls nur einige Mikrosekunden lang. Durch die Dimensionierung der externen Kondensatoren (C8, C9) und Widerstände (R6, R7) gibt das Monoflop einen 3ms bzw. 6ms langen High-Impuls aus, der an eine Jumper-Leiste (JP6 oder JP8) geführt wird. Über die Jumper legt man für jedes Laufwerk getrennt fest, ob für das entsprechende Laufwerk die Step-Rate 3ms oder 6ms betragen soll. Für gewöhnlich ist die Einstellung 3ms, die 6ms sind nur für Sonderfälle vorgesehen. Wie Sie nun genau jumpern müssen, entnehmen Sie bitte Abb. 12, was die ganze Sache hoffentlich klar macht. Doch zurück zum High-Impuls mit 3ms oder 6ms Dauer. Zur Berechnung dieser Zeit dient die Formel T= 0.45* R6* C8 (3ms) oder T= 0.45* R7* C9 (6ms). Deshalb darf hier nur ein LS-TTL-Baustein eingebaut werden, dabei anderen Bausteinen die Konstante (0.45) anders ist. Die Zeiten, die sich durch Verwendung der Bauteile ergeben, sind etwas kürzer, damit Bauteile der Standardbaureihen Verwendung finden können. Wer jedoch partout auf den Autostep verzichten will und lieber ein Programm benutzt, das die Step-Rate des Rechners auf 12ms (ED-Betrieb) oder 6ms (bei reinem HD-Betrieb, also ohne ED-Laufwerk) ändert, muß die STPx-Signale, die an den GALs anliegen, durch Jumpern mit „JP 7“ oder „JP 9“ (Abb. 12) inaktivieren.

Abb. 5: Der Schaltplan der L2-Platine

Der zusätzliche Treiberbaustein, ein 74LS125, dient nur der Pufferung der vom Soundchip kommenden Select-Signale, das heißt Drive Select 0, Drive Select 1 und Side Select. Diese Pufferstufe ist vollständig vom Rest des Moduls getrennt (bis auf die Stromversorgung!), die Eingangssignale kommen von „CON 5“ und liegen dort auch verstärkt wieder an (Abb. 9). Die eingehenden Signale werden über ein selbstgebasteltes „Widerstandsnetzwerk“ (Abb. 11) mit 3.3-kΩ-Widerständen gegen +5V gezogen, damit es immer definierte Zustände auf den Eingangsleitungen gibt. Wenn Sie nun diese Signale puffern wollen, gibt es zwei Möglichkeiten. Sie trennen die Pins 19, 20, 21 des Soundchips knapp über der Platine auf oder löten diese aus, biegen die Pins dann hoch (90 Grad) und schließen sie an die Eingänge von „CON 5“, und die Ausgänge von „CON 5“ an die Löcher in der Hauptplatine an. Das Auftrennen läßt sich am einfachsten mit einem feinen Elektronikseitenschneider bewerkstelligen, von Teppichmessern oder ähnlichem ist abzuraten, da hierbei sehr leicht Leiterbahnen beschädigt werden können. Die zweite Möglichkeit ist die, daß Sie die Leitungen 10 und 32 (die rot oder blau markierte Ader ist immer 1) des Flachbandkabels für das interne Laufwerk auftrennen und die Eingänge von „CON 5“ mit den zur Hauptplatine gehenden und die Ausgänge mit den zum Laufwerk gehenden Leitungen verbinden. Bei den Buchsen für die externen Laufwerke muß man leider die Leiter-bahn(en), die an Pin 5 (2, 6) anliegen, auftrennen und die Leitungen entsprechend anschließen. Da dies nicht gerade einfach ist, ist die erste Methode empfehlenswert. Bei Rechnern mit zwei externen Laufwerken muß man auch noch die Leiterbahnen der in Klammern angegebenen Pins auftrennen, was nicht gerade gut für den Rechner ist.

Abb. 6: Der Schaltplan der E4-Platine

Doch nun zum wichtigsten, den Eingangssignalen. Diese Eingangssignale, also die /Drive Select-(/DS), ED-und HD-Signale, werden bei allen Modulen an „CON 4“ angeschlossen, wie in Abb. 9 zu sehen. Die /DS-Signale sind alle numeriert. Diese Nummern sind nur als Anschlußhilfen gedacht, also gehören z. B. /DS0, STP0 (s. oben und Abb. 12), HD0 und ED0 zusammen und müssen nicht zwangsweise vom Laufwerk kommen, das das /DS auf 0 gejumpert hat, sondern nur von ein und demselbem Laufwerk (bis auf STPx, das ja auf dem Modul erzeugt wird). Die HD-und ED-Signale werden durch einen 74LS04 invertiert, wenn man z. B. die in [3] beschriebene HD-Erkennung für 5 1/4“-Disketten benutzen möchte. Deshalb liegen diese invertierten Eingangsignale auch an „CON 4“ wieder an. Sie werden auch dann im Modul intern verwendet, wenn man, aus welchem Grund auch immer, die HD-oder ED-Signale active low definiert hat, damit durch entsprechendes Jumpern von „JP 2-5“ (Abb. 13) das Modul funktioniert. Die entsprechenden Signale werden dann über die Jumper den GALs zugeführt. Die an den GALs (egal welchen) anliegenden HD-und ED-Sinale sind immer active high (s. Listings für GAL 16A und 20C). Die /DS-Signale (7 bedeutet übrigens, daß das Signal active low ist!) können über „JP 1“ inaktiviert werden. Das Inaktivieren ist dann notwendig, wenn ein Signal nicht benötigt wird, z.B. dann, wenn ein HD-Laufwerk angeschlossen wird, in diesem Fall muß das ED-Signal inaktiviert werden (s. Abb. 13). Falls eine Anschlußgruppe (/DSx, HDx und EDx) nicht benutzt wird, müssen alle diese Signale inaktiviert werden.

Abb. 7: Der Schaltplan der E2-Platine

Und nun zum Interessantesten des ganzen, den GALs, ohne die gar nichts läuft. Hier beginnt auch die Unterscheidung zwischen den beiden Modulversionen. Die Version für zwei Laufwerke, im folgenden L2-Platine genannt, kommt mit nur einem GAL, einem 20V8, aus. Dieses GAL, das die Bezeichnung 20C hat, verknüpft die /DSx-, STPx-, HDx- und EDx-Signale eines Laufwerks so, daß je nach eingelegter Diskette immer der entsprechende Takt an den FDC weitergegeben wird. Zum verwendeten FDC später mehr, da der WD 1772 den notwendigen Takt nicht überlebt. Doch kurz zu den Grundlagen des ganzen. Wenn eine DD-Diskette eingelegt ist, wird einfach der 8-MHz-Takt aus dem Teiler (dem 74LS74) an den FDC weitergereicht. Dieser Takt wird auch dann verwendet, wenn keine Floppy aktiv ist. Die nächste Stufe ist dann der HD-Betrieb. Wenn das HD-Signal aktiv ist und das ED-und das STPx-Signal inaktiv sind (alles jetzt unter der Voraussetzung, daß das entsprechende /DS-Signal aktiv, also low, ist), werden die 16 MHz an den FDC weitergereicht. Dadurch verdoppelt sich die Datenrate (s. Kasten „Formate und Datenraten“). Sobald nun das Laufwerk steppen soll, wird das STPx-Signal für 3ms bzw. 6ms aktiv. Wenn das STPx-Signal aktiv wird, wird auf den 8-MHz-Takt heruntergeschaltet. Sobald das STPx-Signal inaktiv wird, geht’s dann mit 16 MHz weiter. Das gleiche Prinzip gilt auch für den ED-Betrieb mit 32 MHz, mit dem einzigen Unterschied, daß es durch Weglassen eines Teils der GAL-Gleichungen (die Stellen sind in den Listings kommentiert) auch „aufgebohrte“ HD-Disketten benutzen lassen. Dabei ist die Datensicherheit vor allem bei den billigen No-Names nicht gegeben. Die Chance, daß das funktioniert, liegt etwa bei 50:50, also nicht sehr hoch. Für das Backup der wichtigen Daten von Festplatte sind nur „echte“ ED-Disketten zu empfehlen. Sie gewähren eine ausreichende Datensicherheit und vor allem Lebensdauer (wenn man eine „aufgebohrte“ Diskette ein paar Monate liegen läßt, verschwinden die Daten). Doch wenn Sie die „aufgebohrten“ Disketten benutzen wollen: Das ED-Loch liegt genau 5mm näher zur Oberkante der Diskette (die Oberkante ist die mit dem Shutter) als das HD-Loch. Zum Lochen nimmt man am besten eine Lochzange und knapst in zwei, drei Schritten vom HD-Loch ausgehend einen Schlitz nach oben. Dabei gibt es keine Späne (wie beim Bohren) und keinen Gestank (wenn man das Loch mit einem Lötkolben hineinbrennt).

Abb. 8: Der Schaltplan der Abgriffsplatine

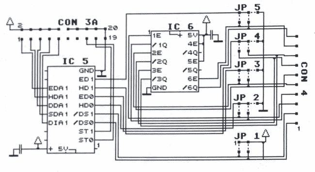
Die zweite Modulversion, im folgenden E4-Platine genannt, arbeitet mit ein paar GALs mehr. Um die Platine nicht zu groß werden zu lassen wurden die Anschlüsse füi die zusätzlichen Laufwerke auf eine Huckepackplatine (E2) ausgelagert. Diese Platine ist deshalb vor allem fürTower-Umbauten und Rechner mit großem Gehäuse geeignet. Bei ihr kommen zwei verschiedene GALs zur Anwendung. Das erste, ein GAL 16V8 mit der Bezeichnung 16A, verknüpft die Eingangssignale mit bestimmten Ausgangssignalen. Wenn keines der beiden /DS-Signale einer Platine (E4, E2) aktiv ist, wird das DIAx-Signal aktiv. Dieses Signa1, Disk In Aktiv, signalisiert dem GAL 16B (wieder ein GAL 16V8), daß keine Floppy aktiv ist. Erst wenn beide DIA-Signale aktiv sind, schaltet das GAL 16B den 8-MHz-Takt zum FDC durch. Bei Einlegen einer DD-Dis-kette, wird das DD A-Signal (Double Density Aktiv) aktiv, und immer noch wird der 8-MHz-Takt an den FDC weitergereicht. Wenn Sie jetzt eine HD-oder ED-Diskette einlegen, wird das entsprechende Signal (HDAx oder ED Ax) aktiv und der entsprechende Takt, also 16 MHz oder 32 MHz, durch das GAL 16B an den FDC weitergereicht. Sobald jedoch wieder das STPx-Signal vom Autostep aktiv wird, werden die HDAx-und EDAx-Signale inaktiv und das SDAx-Signal des entsprechenden GALs aktiv. Wenn dieses Signal wiederum aktiv ist, wird wieder nur der 8-MHz-Takt an den FDC weitergereicht. Damit ist auch hier der Autostep verwirklicht. Die E2-Platine ist vom Aufbau her fast ein Abbild eines Teils der Modulplatine. Die Signale werden genauso wie auf der Grundplatine verarbeitet. Um aber die Grundplatine auch ohne die E2-Platine betreiben zu können, gibt es die Widerstände R1 bis R5. R1 zieht das DIA2-Signal gegen 5V, da es ja aktiv sein muß (sonst gibt’s einen Undefinierten Zustand, wenn die /DS-Signale auf der Grundplatine inaktiv werden). Was dann passiert, ist von allem möglichen abhängig. Die anderen vier Signale werden fest auf Masse gelegt. Vor dem Einbau der E2-Platine, die ja einfach aufgesteckt wird, müssen die Widerstände R1-5 entfernt werden, damit das Modul funktioniert.

Abb. 9: Die Signalbelegungen der Ein-und Ausgänge

Nachdem jetzt (hoffentlich) die Funktionsweise des Moduls klar ist (zur Vertiefung des Themas sind [3], [4] und [5] sehr empfehlenswert), noch ein paar Hinweise. Den Aufmerksamen unter Ihnen ist sicher schon aufgefallen, daß viele Bauteile die gleiche Bezeichnung tragen. Dies ist schon richtig und hat seinen guten Grund. Alle Bauteile mit gleicher Bezeichnung sind auch gleich. Dies verkürzt die Stückliste, die für ALLE Platinen gilt, und macht das ganze etwas übersichtlicher. Die gleichen Bauteile, die ja auf allen Modulen vorhanden sind, haben auch immer dieselbe Funktion. Die unterschiedlichen Bauteile sind meist nur an das Modul angepaßte, wie z. B. die Autostepjumper oder die "Widerstandsnetzwerke". Bei den Bauteilen gibt es recht hohe Toleranzbereiche, nur die Widerstände und Kondensatoren für den Autostep sollten mit engstmöglichen Toleranzen gekauft werden. In der Stückliste sind die maximalen Toleranzen angegeben, die nicht überschritten werden sollten.

Die Hardware

Abb. 10: Einbau der Autostep-Kondensatoren

Der Ein- und Aufbau der Module ist recht einfach, aber hier nun trotzdem ein paar Hinweise zur Erleichterung. Zunächst einmal sollten Sie VOR dem Kauf irgendwelcher Bauteile oder der Platinen überprüfen, ob Ihr Rechner überhaupt genug Platz für das gewünschte Modul bietet. Wenn man wissen will, ob die Fläche ausreicht, schneidet man sich am besten aus Pappe ein Rechteck in der Größe des Moduls, das man einbauen will, zurecht und markiert sich dann die Pins 1,14,15 und 28 von "IC 2". An den Stellen stanzt man sich etwa 5mm große Löcher aus. Diese bringt man genau über die entsprechenden Pins des eingebauten Floppy Controllers. Wenn es hierbei keine Probleme gibt, ist nur noch die Höhe ein Problem. Für die L2-Platine kann man, wenn man alle Chips sockeln will (sollte beim FDC auf jeden Fall gemacht werden!), vier übereinandergesteck-te Fassungen (nicht die Beine abkneifen!) auf die Hauptplatine des Rechners stellen. Dieser Turm stellt (aufrecht) in etwa die Höhe der Platine dar. Für die E4- ohne E2-Platine kann man mit derselben Höhe rechnen, bei der aufgesteckten E2-Platine kommen noch einmal drei Fassungen hinzu, man hat also einen Turm von etwa sieben Fassungen gebaut. Wenn genügend Platz vorhanden ist, kann man, wenn man die Platinen und die Bauteile hat, mit dem Einbau beginnen. Wenn man die ICs sok-keln möchte, was immer anzuraten ist, sollte man nach Möglichkeit nur Präzisionsfassungen verwenden. Sie sind zwar etwas teurer, gewähren dafür aber eine sicherere Kontaktgabe als Doppelfederkontakte. Zum Sockeln des Quarzoszillators kann man eine 14polige Fassung verwenden, aus der man die Pins 2-6 und 9-13 (inklusive) entfernt hat. Für die Verbindung des Moduls mit der Hauptplatine sollten nur vergoldete Präzisionsstiftleisten verwendet werden. Sie gewähren eine sichere Kontaktgabe zur Präzisionsfassung, gegen die der eingebaute FDC ausgetauscht werden muß. Dieser Austausch geschieht am einfachsten, indem man mit einem feinen Seitenschneider alle Pins des eingebauten FDC dicht am Gehäuse abkneift und dann die Pins einzeln auslötet. Bitte versuchen Sie das NICHT mit einem Teppichmesser, da hierbei leicht eine Leiterbahn beschädigt wird. Wenn Sie nun die 28polige Präzisionsfassung eingelötet haben, sollten Sie den Rechner in einem "fliegenden" Aufbau zusammensetzen und dabei in den Sockel den speziellen FDC einsetzen, von dem schon die ganze Zeit die Rede ist. Dieser FDC, der auch die 32-MHz-Taktfrequenz aushält, ist eine Eigenentwicklung von ATARI und für den ED-Betrieb ausgelegt. Einen Namen hat dieses Wunderding auch:"AJAX".

AJAX ist vollständig kompatibel zum WD 1772, aber für eine höhere Taktfrequenz ausgelegt. Nachdem Sie den AJAX eingebaut haben [mit der Kerbe in der Richtung, die auch die Kerbe des eingelöteten FDCs hatte (das gilt auch für den Sockel, der in die Hauptplatine eingelötet wird!)] und alles kontrolliert haben, schalten Sie den Rechner OHNE Modul und mit Originallaufwerk probeweise einmal ein. Wenn er korrekt bootet, ist schon einmal kein Fehler beim Auslöten des alten FDCs passiert. Wenn der FDC vorher schon gesockelt war, ist diese Aktion nicht notwendig. Falls die eingebaute Fassung mit Doppelfederkontakten ausgestattet ist, muß man für "IC 2" Stiftleisten nehmen, die eckige Stifte besitzen.

Bei der Bestückung der Platinen sollte man mit "IC 2", also den zwei 14poligen Stiftleisten beginnen. Sie werden auf der Lötseite der Modulplatinen bestückt und auf der Bestückungsseite festgelötet. Dann bestückt man die Fassungen, Stift-und Buchsenleisten, lötet die Widerstände und Kondensatoren ein und die Schraubklemme. Danach kontrolliert man alle Lötstellen und die Platinen auf Lötzinnspritzer und unbeabsichtigte Lötbrücken. Danach bestückt man die ICs und den Quarzoszillator. Anschließend inaktiviert man alle HD-, ED-, und /DS-Signale und baut das Modul, aber noch nicht das Laufwerk, ein. Wenn der AJAX in seinem Sockel auf dem Modul sitzt (mit der Kerbe zum Oszillator), kann man das Modul einbauen. An "CON 1" muß natürlich Spannung anliegen, die man sich aus der Nähe des Moduls von einem IC holt (einfach mit einem Ohmmeter durchmessen). Dann kann der erste Versuch starten. Wenn der Rechner korrekt bootet, ist das Schlimmste überstanden. Jetzt entfernt man das alte Laufwerk (falls das interne Laufwerk für den ED-Betrieb vorgesehen ist) und verbindet es mit dem internen Floppy-Kabel. Hierbei gibt es zwei Dinge zu beachten: Die Leitung 1 muß richtigherum angeschlossen und die Signale vom Laufwerk dürfen nicht mit der Hauptplatine verbunden sein. Um letzteres etwas einfacher zu gestalten, gibt es noch eine Abgriffplatine (Abb. 4A, 4B, 4C, 8), die mit einer abgewinkelten Buchsenleiste direkt an das Laufwerk gesteckt wird.

Wenn die Jumper entsprechend gesetzt sind, d. h. genauso wie auf dem Laufwerk

Formate und Datenraten

Abb. 11: Der Einbau der "Widerstandsnetzwerke' und Einzelwiderstände

Um das Wirrwar der Formate und Datenraten etwas anschaulicher zu machen, hier nun eine kurze Erläuterung des ganzen. Bei Double-Density(DD)-Betrieb beträgt die Datenrate 250 KBit/s. In dieser Datenrate ist die Übertragung von Nutz- und Verwaltungsdaten enthalten. Die Nutzdaten, immer 512 Bytes pro Sektor, machen aber nicht alles auf der Diskette aus. Die Verwaltungsdaten, Sektor-Header genannt, stehen immer zu Beginn eines Sektors und enthalten die Spurnummer (oder Track-Nummer), die Sektornummer sowie ein paar andere Informationen. Diese Informationen liest der FDC jedesmal ein, wenn die Floppy aktiv wird. Die Sektoren sind übrigens kreisförmig auf der Diskette angeordnet, und zwar in Kreisen, die Spuren oder Tracks genannt werden. Von diesen Tracks gibt es bei Standard-3 1/2“-Formaten immer 80. Wenn man jetzt jedoch bei gleicher Diskettendrehzahl (300 U/min) nicht mehr die 9 bis 11 Sektoren in einen Track packen will, sondern doppelt soviele, nämlich 18 bis 22, muß man die Datenrate erhöhen. Bei dieser Betriebsart, die HD (High Density, also hohe Dichte) genannt wird, beträgt die Datenrate logischerweise 500 KBit/s. Die nächste Steigerung ist ED (Extra high Density, also extra hohe Dichte), bei der die Datenrate 1000 KBit/s beträgt und man 36 bis 40 Sektoren pro Track unterbringt. Es wären zwar auch 44 Sektoren pro Track möglich, aber hierbei ist die Datensicherheit nicht mehr zu 100% gewährleistet. Bei den Tracks kann man zwar meist noch ein paar mehr formatieren, aber das gibt schnell Probleme beim Datenaustausch, weil die Laufwerkshersteller nur 80 formatierbare Spuren beim Laufwerk garantieren. Wenn man auf eine höhere Track-Nummer zugreift, als das Laufwerk verträgt, kann es leicht passieren, daß der Schreib-/Lesekopf anschlägt und das Laufwerk dejustiert wird. Eine Reparatur wird dann teuer, deshalb sollte man bei 80 Tracks pro Disk bleiben. Wer jetzt noch mehr Informationen sucht, kann in Scheibenkleister II von Claus Brod alles nachlesen.

(wenn das Signal für ED z. B. an Pin 6 des Shugart-Busses anliegt, wird der EO-6-Jumper gesetzt usw.), hat man einen wunderbaren Signalabgriff und muß keine Kabel auftrennen. Die 5 V sind nur für den Pullup-Widerstand für das HD-Signa1, der in Teac-Laufwerken nicht vorhanden ist. Dieser Widerstand, R 8, kann weggelassen werden, wenn er schon auf dem Laufwerk vorhanden ist. Wenn man die Platine nicht direkt an das Laufwerk stecken möchte (die Platine ist übrigens für ein Teac-Laufwerk konzipiert), kann man anstelle von „CON 6“ auch eine gerade Stiftleiste einsetzen. Dann muß man sich jedoch mit einem kleinen Flachbandkabel behelfen, um das Laufwerk anschließen zu können. Die drei Jumper auf der Platine haben nur den Zweck, die Signale, die von den Pins 2, 4 und 6 des Shugart-Busses kommen oder abgehen, vom restlichen Bus zu trennen, damit sie sich nicht gegenseitig stören. Wenn man die HD-und ED-Signale z. B. auf den Pins 4 und 6 ausgibt, öffnet man einfach JP 12 und JP 13. Auf dieser Platine werden übrigens alle Bauteile auf der Bestückungsseite bestückt. Zur Isolierung des ganzen ist eine untergeklebte Pappe sehr gut. Die entsprechenden Anschlüsse von „CON 8“, einer Stiftleiste, kann man über eine Buchsenleiste und mit etwas Kabel sehr gut mit den entsprechenden Pins von „CON 4“ auf den Modulen verbinden. Nachdem man nun das Laufwerk richtig gejumpert, richtig angeschlossen und sorgfältig die Signale mit dem Modul verbunden hat, jumpert man das Modul, also den Autostep und die Eingangssignale für das Laufwerk korrekt (sind die HD-und ED-Signale active high oder active low?) und wagt den ersten Testlauf noch im fliegenden Aufbau (Vorsicht vor dem Netzteil, an den Bauteilen liegen Hochspannungen an!). Wenn der Rechner jetzt mit einer DD-Diskette bootet, hat man das Gröbste hinter sich. Bootet er nicht, wenn das Laufwerk angeschlossen ist, überprüft man noch einmal, ob alle Leitungen und Jumperungen korrekt sind. Falls das Modul vorher, ohne Laufwerk, lief, kann es nur an der Verkabelung liegen. Falls es partout nicht funktioniert (haben Sie vielleicht nur den Floppy-Stecker falsch herum eingesetzt?), können Sie sich noch an den Autor (Adresse u. Telefon siehe unten) oder die Redaktion der ST Computer wenden.

Abb. 12: Beispiel-Jumper-Stellungen beim Autostep

Wenn alles funktioniert, stellt man sich natürlich die Frage, wie man ein externes Laufwerk anschließt. Diese Frage ist leicht zu beantworten. Bei HD-Laufwerken gilt es fast schon als Standard, das HD-Signal über Pin 7 der Floppy-Buchse einzuspeisen. Dazu wird dieser an der Seite des Isolierkörpers liegende Pin mit einem Schraubendreher vorsichtig kaputtgehebelt und an den oberen Teil ein Kabel zum Modul angelötet. Bei den Rechnern mit internem Laufwerk ist das kein Problem, doch bei Rechnern mit zwei externen Laufwerken schon. Noch kurz zum ED-Signal: Bei einigen Rechnern mit internem Laufwerk kann man dieses Signal über Pin 6 der Floppy-Buchse einspeisen, da er nicht belegt ist. Allerdings scheint es einige Platinen-Versionen zu geben, bei denen dieser Pin auf +5V liegt. Dies sollte man auf jeden Fall vorher überprüfen und die Leitung gegebenenfalls auftrennen. Bei Rechnern mit zwei externen Laufwerken muß man sich mit Stereo-Klinkenbuchsen behelfen, die in das Rechnergehäuse eingebaut werden (für jedes Laufwerk eine).

Um auch hierbei eine Normierung des ganzen zu erreichen, sollte das HD-Signal an der Spitze, das ED-Signal an dem Teil dahinter und Masse am Rest der 3,5-mm-Klinkenbuchse anliegen. Mit dieser Methode sollte es kein Problem sein, auch einen 520 mit zwei ED-Laufwerken zu betreiben (aber warum?). Noch etwas zu den Modulen. Es kann passieren, daß die Abblockkondensatoren nicht auf die Bestückungsseite passen, weil die Fassungen oder ICs im Weg sind. Dann kann man die Kondensatoren auch auf der Lötseite bestücken und umbiegen (dabei auf Kurzschlüsse achten!). Für "CON 3" sollte auch unbedingt eine Buchsenleiste (am besten mit Präzisionskontakten für eckige Stifte) verwendet werden, da hier 5 V und Masse anliegen. Die E2-Platine sollte mit Pappe auf der Lötseite isoliert werden, da die Fläche auf der Unterseite 5 V führt und es sonst leicht zu Kurzschlüssen mit den Jumpern kommt. Die Widerstände werden alle in der in Abb. 11 gezeigten Weise bestückt. Den Pin 1 des Quarzoszillators erkennt man übrigens am Punkt auf der Oberseite oder an der spitzen Ecke (alle anderen Ecken sind abgerundet!). Die Platinen müssen übrigens durchkontaktiert und mit drei verschiedenen Bohrdurchmessern gebohrt werden. Die Durchkontaktierungen werden mit 0,6mm, die kleinen Pins mit 1,0mm und die großen Pins von "CON 1" mit 1,4mm gebohrt.

Die Software

Normalerweise findet man als Leser hier jetzt mehrere Listings und einen Hinweis auf die Monatsdisk der ST Computer. Da es aber unsinnig ist, das Rad zweimal zu erfinden und eine ED-Formatier- und -Kopier-Software zu schreiben, wollen wir Sie auf ein kommerzielles Programm hinweisen, das alles Benötigte mitbringt (sogar die Utilities wie Cookies setzen usw.): E-Copy von MW-electronic, das für rund 70,- DM zu haben ist (exkl. Versandspesen). Die Bezugsadresse finden Sie weiter unten.

Abb. 13: Beispiel-Jumper-Stellungen bei der Signalverarbeitung

Der Support

Die Platinen und die gebrannten GALs können Sie sowohl einzeln als auch im Set beziehen. Der Preis steht noch nicht fest, da er auch etwas von der Menge der Bestellungen abhängig ist. Man sollte einfach anrufen (oder faxen) und sich in die Bestelliste eintragen lassen. Die Lieferung kann allerdings etwas dauern, da im Normalfall nur geringe Mengen hergestellt werden. Kleinserien nehmen dabei mehr Zeit in Anspruch als große. Die GALs sind übrigens so gebrannt, daß man auch die "aufgebohrten" HD-Disketten verwenden kann. Wenn man bei der Adapterplatine eine gewinkelte Buchsenleiste zum direkten Anstecken an das Laufwerk verwenden will, muß man diese auf der LÖTSEITE bestücken. Leider ist im Bestückungsplan diese auf der Bestückungsseite eingezeichnet, weil man ja auch eine Stiftleiste benutzen kann (s. Text weiter oben). Und nun viel Spaß beim Basteln und mit den neuen, schnellen Disketten. Und nun viel Spaß beim Basteln und mit den neuen, schnellen Disketten.

Die Adresse des Autors:

Uwe Zeppei
Zu den Hegebergen 9
W-3002 Wedemark 1

Bezugsquelle für Platinen u. GALs:

Hobmeier Elektronik
Schlenkhoffweg 27
W-4720 Beckum

Bezugsquelle für E-Copy u. AJAX:

MW-electronic

Meisterhacher Str. 137
W-5330 Königswinter 1

Literatur:

[1] ST-Computer 12/1992

[2] c’t 3/1991, S. 208

[3] ST-Computer 10/1991

[4] ST-Computer 1/1990

[5] Scheibenkleister II von Claus Brod u. Anton Stepper, MAXON Computer

# Stückliste für alle Platinen des ED-Projekts

IC 1: AJAX, Floppycontroller von Atari, mit Präzisionssockel, 28polig
IC 2: 2 14polige Präzisionsstiftreihen u. Präzisionssockel, 28polig
IC 3: 74LS74 (besser 74ALS74 oder 74F74)
IC 4: GAL 16B
IC 5: GAL 16A
IC 6: 74LS04 (oder 74HCT04)
IC 7: 74LS125
IC 8: 74LS123 (nur LS- Typ)
IC 9: GAL 20C

QU: 1 32-MHz-TTL-Quarzoszillator

R1: 1 kΩ, 5% Kohleschicht
R 2-5: 0Ω
R 6: 62 kΩ, 1 % Toleranz Metallschicht
R 7: 130 kΩ, 1% Toleranz Metallschicht
R 8: 10kΩ oder 5,6kΩ, 5% Kohleschicht
RP 1: 3,3 kΩ "Widerstandsnetzwerk" aus 3 Einzelwiderständen

C 1-7: 100nF, Keramik (Abblockkondensatoren)
C 8,9: 100nF, 5% Toleranz (eventuell Folie oder Styroflex)

CON 1: Schraubklemme, 2polig, RM 5,08mm
CON 2: Stiftleiste, gewinkelt, 1* 2polig, RM 2,54mm
CON 3: Buchsenleiste, 2* 10polig, möglichst Präzisionskontakte für eckige Stifte
CON 3A: Stiftleiste, 2* 10polig, gerade
CON 4: Stiftleiste, 1* 10polig, eventuell gewinkelt
CON 5: Stiftleiste, 1* 6polig, eventuell gewinkelt
CON 6: Buchsenleiste, 2* 17polig, gewinkelt
CON 7: Stiftleiste, 2* 17polig, gerade
CON 8: Stiftleiste, T 6polig, gerade

JP 1: Stiftleiste, 2* 2polig, gerade
JP 2-5: Stiftleiste, 2* 8polig, gerade u. 4 einzelne Stifte
JP 6: Stiftleiste, 2* 8polig, gerade
JP 7: Stiftleiste, 1* 4polig, gerade
JP 8: Stiftleiste, 2* 4polig, gerade
JP 9: Stiftleiste, 1* 2polig, gerade
JP 10: Stiftleiste, 2* löpolig, gerade
JP 11: Stiftleiste, 12polig, gerade
JP 12: Stiftleiste, 1
2polig, gerade
JP 13: Stiftleiste, 1* 2polig, gerade

Sonstiges:
ED-fähiges Laufwerk + Disketten

eventuell Fassungen für alle ICs, Buchsenleisten für "CON 2", "CON 4", "CON 5" und "CON 8" sowie ausreichend Jumper (möglichst flache), Kabel (Schaltdraht etc.) und Installationsmaterial für das neue Laufwerk.

'GAL 16A für ED-Modul-Platinen E4 & E2 1 '(c)1993 by MAXON-Computer' '**Autor:** Uwe Zeppei, für MGP' %TYPE GAL16V8 %ID 16A_V1.0 %PINS STPO: 2 STP1: 3 !DS0: 4 !DS1: 5 HD0: 6 ED0: 7 HD1: 8 ED1: 9 EDA: 13 HDA: 14 DDA: 15 SDA: 16 DIA: 17 %LOGIC DIA = !DS0 * !DS1; DIA.0E = VCC; SDA = DS0 * STP0 * HD0 + DS0 * STP0 * ED0 + DS1 * STP1 * HD1 + DS1 * STP1 * ED1; SDA.0E = VCC; DDA = DS0 * !HD0 * !ED0 + DS1 * !HD1 * !ED1; DDA.OE = VCC; HDA = DSO * HDO * !ED0 * !STP0 + DS1 * HD1 * !ED1 * !STP1; HDA.0E = VCC; EDA = DS0 * !HD0 * ED0 * !STP0 + DS1 * !HD1 * ED1 * !STP1; ' Zur Verwendung von "aufgebohrten" HD-Disks in der EDA-Gleichung "* !HD0" u. "* !HD1" weglassen!!' EDA.0E = VCC; %END '' GAL 16B für ED-Modul-Platine E4 ' '(c)1993 by MAXON-Computer' '**Autor:** Uwe Zeppei, für MGP' %TYP GAL16V8 %ID 16B_V1.0 %PINS MH32 1 MH16 2 MHZ8 3 DIA1 4 SDA1 5 DDA1 6 HDA1 7 EDA1 8 EDA2 9 HDA2 11 DDA2 13 SDA2 14 CLK0 15 DIA2 16 CLK1 17 %LOGIC CLK0 = MHZ8 * DIA2 * DIA1 * !DDA2 * ! DDA1 + MHZ8 * SDA1 * !DDA1 * DIA2 * ! DIA1 + MHZ8 * SDA2 * !DDA2 * DIA1 * ! DIA2 + CLK1; CLK0.0E = VCC; CLK1 = MHZ8 * DDA2 * !HDA2 * !EDA2 * DIA1 * !DIA2 + MHZ8 * DDA1 * !HDA1 * !EDA1 * DIA2 * !DIA1 + MH16 * HDA1 * !SDA1 * DIA2 * !DIA1 * !EDA1 + MH16 * HDA2 * !SDA2 * DIAl * !DIA2 * !EDA2 + MH32 * EDA1 * !SDA1 * DIA2 * !DIA1 * !HDA1 + MH32 * EDA2 * !SDA2 * DIA1 * !DIA2 * !HDA2; CLK1.0E = VCC; %END 'GAL 20C für ED-Modul-Platine L2' '(c)1993 by MAXON-Computer' '**Autor:** Uwe Zeppei, für MGP' %TYP GAL20V8 %ID 20C_V1.0 %PINS MH32 1 MH16 2 MHZ8 3 STP0 4 STP1 5 !DS0 6 !DS1 7 HD0 : 8 ED0 : 9 HD1: 10 EDI: 11 CLK0 19 CLK1 20 %LOGIC CLK0 = MHZ8 * DS0 * !ED0 * !HD0 + MHZ8 * DS1 * !ED1 * !HD1 + MHZ8 * !DS0 * !DS1 + MHZ8 * DS0 * HD0 * !ED0 * STP0 + MHZ8 * DS1 * HD1 * !ED1 * STP1 + CLK1; CLK0.0E = VCC; CLK1 = MHZ8 * DS0 * !HD0 * ED0 * STP0 + MHZ8 * DS1 * !HD1 * ED1 * STP1 + MH16 * DS0 * HD0 * !ED0 * !STP0 + MH16 * DS1 * HD1 * !ED1 * !STP1 + MH32 * DS0 * !HD0 * ED0 * !STP0 + MH32 * DS1 * !HD1 * ED1 * !STP1; ' Zur Verwendung von aufgebohrten HD-Disks in den beiden "MHZ8"- und "MH32"-Gleichungen in "CLK1" unbed. "* !HD0! und "* !HD1" weglassen!! ' CLK1.0E = VCC; %END
Uwe Zeppei