← ST-Computer 01 / 2000

Die interne IDE-Festplatte im Falcon 030/MK-X

Grundlagen

In diesem Artikel beschäftigen wir uns mit dem Auswechseln der internen IDE-Festplatte im Fehlerfall, also dem Defekt der Festplatte oder aus Kapazitätsgründen.

Wie hoffentlich jeder Falcon-Besitzer weiß, enthält sein Computer normalerweise eine interne 2.5 IDE-Festplatte mit meistens 65 oder 85 MB Speicherkapazität ab Werk. Das ist für einen serienmäßigen Falcon normal, aber zum richtigen Arbeiten, z.B. auch für Harddiskrecording, schnell viel zu wenig, und man hat ständig eine volle Festplatte. Schließlich werden nicht alle Daten sofort wieder gelöscht.

Da es eine fast unüberschaubare Zahl von 2.5" IDE-Festplatten gibt, liegt eigentlich nichts näher, als sich der zu klein gewordenen Platte zu entledigen. Früher waren diese Platten sehr teuer und man mußte sich einen solchen Schritt gut überlegen, heute sind diese Festplatten auch nicht teuerer als eine vergleichbare 3.5" IDE-Festplatte.

Die in Tabelle 1 (Seite 49) aufgelisteten 2.5" Festplatten laufen getestet und ganz sicher in jedem Atari Falcon F030 und auch in Falcon-Computern, die mit einem CENTurbo2Beschleuniger ausgerüstet wurden.

Festplatten, die hier mit "nicht CT2" markiert sind, arbeiten am Falcon, verkraften aber den Turbomodus des CT2-Beschleu-nigers leider nicht. Man merkt es recht schnell, da sich der Rechner aller Regel nach weigert, im Turbomode korrekt von diesen Festplatten zu booten. Sie können jederzeit auch Platten dieser Hersteller mit 4, 6 oder 9 GB verwenden.

Festplatten kleiner als 1GB dürften wohl nur noch zufällig oder gebraucht zu bekommen sein. Es ist ohne weiteres möglich, eine gebrauchte 2.5" IDE-Festplatte mit 540 MB für unter 200,- DM zu erhalten. Einige der Hitachi-Geräte konnte ich selbst testen, andere wurden in den USA erfolgreich eingebaut und verrichten ihren täglichen Dienst. Die Liste der geeigneten Festplatten ist aber sicher um einiges länger.

Nicht getestet wurde das Zusammenspiel dieser Geräte als zweites IDE-Gerät oder zusammen einem IDE CD-ROM im Falcon.

Arbeitsschritte zum Auswechseln der internen IDE-Festplatte

[Schritt 1]

Erstellen Sie von Ihren wichtigsten Daten, besonders aber von Ihrem Autoorder, einer eventuell vorhandenen MagiC-Konfiguration, ein Backup. Kopieren Sie soweit wie möglich alle Ihre Daten auf eine extern angeschlossene SCSI-Platte, ZIP-Disketten oder eine CD-ROM. Zu einem Diskettenbackup wird hier aus Zeitgründen und wegen der Datensicherheit nicht geraten. Besitzen Sie größere externe Kapazitäten, kann man die entsprechenden Partitionen Ihrer alten Festplatte in Ordner kopieren, die den entsprechenden Laufwerksbuchstaben tragen. Später erleichtert und beschleunigt diese Vorarbeit das Bespielen der neuen IDE-Festplatte drastisch.

Schalten Sie den Falcon aus, und entfernen Sie alle Anschlußkabel am Gerät. Danach drehen Sie den Computer auf die Tastaturseite und entfernen sechs Gehäuseschrauben, die sich entlang des Randes am Plastikgehäuse befinden. Eine Schraube ist meistens mit einem Aufkleber, dem Garantiesiegel, überklebt. Eine Garantie wird heute wohl kaum noch ein Falcon haben. Entfernen Sie nicht die vier Schrauben, mit denen das Diskettenlaufwerk befestigt ist! Danach halten Sie Gehäuseober- und -unterteil fest und drehen den Computer so, daß die Tastatur wieder oben ist. Sie können das Gehäuseoberteil jetzt leicht nach oben abziehen und sehen die Tastatur und die Abschirmbleche.

[Schritt 2]

Entfernen Sie die Tastatur, in dem Sie leicht, aber mit bestimmtem Zug an dem Kabelstrang der Tastatur ziehen. Das sollte so weit wie nur möglich in der Nähe des daran angebrachten Flachsteckers geschehen. Keine Angst, der Stecker paßt beim späteren Aufstecken prinzipiell nur in eine Richtung. Zerren Sie nicht an den einzelnen Leitungen zur Tastatur hin! Legen Sie das Keyboard zur Seite. Reinigen, z.B. durch Ausblasen von Staub etc., wäre jetzt auch angebracht.

[Schritt 3]

Entfernen Sie das obere Abschirmblech des Falcons. Flierzu müssen rund um die gesamte Platine einige Blechlaschen so aufgebogen werden, daß sie sich leicht durch die Schlitze im Blech schieben lassen. Entfernen Sie den internen Lautsprecher und die Abdeckung des Netzteils. Entfernen Sie dazu auch alle nötigen Schrauben. Legen Sie die Abschirmbleche zur Seite.

[Schritt 4]

Wenn Ihr Falcon nun so auf dem Tisch steht, als wenn Sie damit arbeiten wollten, werden Sie links hinten das Netzteil, ganz rechts das eingebaute Diskettenlaufwerk sehen. In der Mitte befindet sich ein Blechträger, der die 2.5" Festplatte mechanisch im Gehäuse befestigt. Dieser Blechträger ist in der Regel mit drei Schrauben auf der Hauptplatine befestigt. Lösen Sie diese drei Schrauben. Diese Schrauben sind gleich lang.

Am rechten vorderen Standbein befindet sich u.U. eine Isolierscheibe. Merken Sie sich deren Lage genau, und vergessen Sie nicht, diese Scheibe beim Zusammenbauen wieder an dieser Stelle zu montieren! Wenn Sie das vergessen, können u.U. Kurzschlüsse zu Leiterbahnen auf der Hauptplatine entstehen.

[Schritt 5]

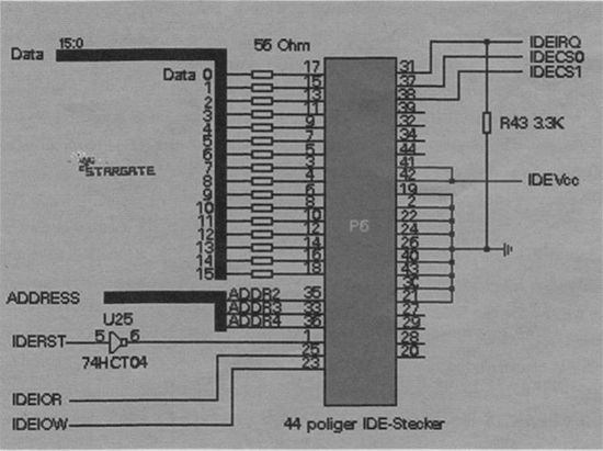
Heben Sie den gesamten Laufwerksträger so an, daß Sie das Teil bequem mit einer Hand halten können. Beachten Sie, wie das Flachbandkabel auf die Festplatte gesteckt ist. Rechts im Steckerbereich sind vier Pins frei. Diese bleiben auch bei der neuen 2.5" Platte frei! Das sind Jumper für Master/Slave Einstellungen. Keine Anschlußpins des IDE-Interface! Es braucht kein Jumper gesteckt werden, auch nicht an der neuen Platte, sofern es das einzige IDE-Gerät bleibt.

Markieren Sie in diesem Moment das Flachbandkabel am besten mit einem wasserfesten Filzstift, so daß dieses Kabel später nicht versehentlich fälsch aufgesteckt werden kann. Vermeiden Sie das Ziehen an diesem Kabel in Richtung der Hauptplatine! Einige ältere Exemplare sind da leider sehr empfindlich.


[Schritt 6]

Nachdem Sie das Kabel von der Platte abgezogen haben, befindet sich der Laufwerksträger mit der Festplatte in Ihren Händen. Benutzen Sie einen Kreuzschlitzschraubendreher, um nun die vier seitlich angeordneten Schrauben zu entfernen. Markieren Sie die Richtung, in der die Platte montiert war. Öffnen Sie die Schrauben am besten über Kreuz. Halten Sie die Platte mit wenigstens einem Daumen fest, bevor Sie die letzte Schraube entfernen. Legen Sie die alte Platte zur Seite. Zum Aufbewahren eignet sich eine antistatische Verpackung der neuen Festplatte am besten. Die neue Platte packen Sie erst aus, wenn Sie die alte Platte abgeschraubt haben. Berühren Sie keine Anschlußpins oder Elektronikkomponenten der neuen Platte.

Benutzen Sie nur genau die mitgelieferten Schrauben, um diese oder eine andere Festplatte auf dem Trägerblech zu montieren! Beachten Sie bei den Schrauben bitte, daß es sich dabei um US-Zoll Gewinde, kein deutsches metrisches Gewinde handelt! Solche Schrauben bekommt man auch in Deutschland im einschlägigen Fachhandel.

[Schritt 7]

In der gleichen Reihenfolge, nur umgekehrt, beginnen Sie damit, Ihre neue Platte auf dem Blechträger zu montieren. Beachten Sie hierzu bitte, daß es reicht, wenn die Schrauben normal eingeschraubt werden. Es ist nicht nötig, die Schrauben so fest anzuziehen wie Radmuttern an einem PKW. Festplatten erwärmen sich im Betrieb und könnten sich bei zu fest angezogenen Schrauben verspannen. Frühzeitige Ausfälle wären dann die Folge.

Während Sie die Platte so befestigen, sollten Sie darauf achten, daß zwischen der Elektronikplatine, der Festplatte und dem Laufwerksträger genügend Abstand verbleibt. Alles andere kann nur zu Kurzschlüssen führen, u.a. dann auch zur Zerstörung dieser Festplatte. Stecken Sie mm zuerst wieder das IDE-Flachbandkabel auf. Belassen Sie das Kabel in seiner eigentlichen Form, auch wenn Ihnen diese Form seltsam erscheint. Beachten Sie unbedingt, daß rechts am IDE-Stecker der Festplatte vier Pins frei bleiben müssen! Der Stecker paßt normalerweise nur in einer Richtung, da in der unteren Stiftreihe ein Pin fehlt, dieser an der Buchsenleiste des Flachbandkabels normalerweise mit Kunststoff verschlossen ist. Stecken Sie diese Buchsenleiste in keinem Fall um einen oder mehrere Pins versetzt auf! Ihr Falcon kann u.U. an dieser Stelle einen irreparablen Schaden erleiden. Das Flachbandkabel zeigt in allen Fällen nach unten weg, also in Richtung der Falcon Hauptplatine.

[Schritt 8]

Befestigen Sie nun den Laufwerksträger wieder auf der Hauptplatine in genau der Art, wie er vorher befestigt war. Drehen Sie die drei Schrauben in genau die gleichen Befestigungslöcher, aus denen Sie sie zuvor entfernt haben. Wird das nicht beachtet, können Sie später das Gehäuse nicht komplett verschrauben. Beachten Sie auch den Pappstreifen, die Isolierscheibe unter der rechten Befestigungslasche oder beiden Laschen des Laufwerkträgers. Die Pappstreifen sollten sich generell zwischen Platine und dem Bein der Laufwerkhalterung befinden.

[Schritt 9]

Stecken Sie die Tastatur an Ihren Falcon wieder an. Dann den Monitor, das Netzkabel, eventuell auch die externen Geräte. Schalten Sie Ihren Falcon ein. Sofern Sie keine weiteren Festplatten haben, wird sich der Computer sofort mit dem Desktop melden, er kann diese neue Platte noch nicht ansprechen. Laden Sie von einer Diskette Ihren Festplattentreiber, Ihr Festplattenutility.

Bei der Verwendung von z.B. dem HD-Driver genügt es, den Treiber zu laden, um dann HDDRUTIL.PRG starten zu können. Partitionieren Sie die neue Platte nach Ihren eigenen Wünschen. Beachten Sie dabei die Aufteilungen Ihrer bereits vorhandenen externen Geräte. Es ist vollkommen ausreichend, die neue Festplatte zu partitionieren! Ein Formatieren ist vollkommen überflüssig!

"Automatische Konfiguration" von HD-Driver erleichtert die Sache ungemein.

Nach dem die Platte konfiguriert wurde, dürfen Sie einen Kaltstart ausführen, um sicherzustellen, daß die Platte in dieser Form auch vom Falcon akzeptiert wird. Bringen Sie auf Laufwerk C: wieder Ihren Autoordner und alle weiteren Programme an, die Sie vorher, wie oben beschrieben, per BackUp gesichert hatten.

Beim nächsten Neustart wird der Rechner dann direkt von Laufwerk C:, eben dann von Ihrer neuen Platte booten. Zeigt der verwendete Treiber die Platte nicht schon direkt beim ersten Booten an, auch wenn die Platte noch nicht eingerichtet ist, können Sie davon ausgehen, daß ein Fehler vorliegt. Schalten Sie Ihren Rechner sofort aus und überprüfen Sie in diesem Fall zuerst die einzige Kabelverbindung.

[Schritt 10]

Sollte das alles erfolgreich verlaufen sein, schalten Sie alles ab. Entfernen Sie wieder alle Kabel, und setzen Sie das Gehäuseoberteil auf. Drehen Sie das Gehäuse wieder mit der Tastaturseite auf den Tisch. Setzen Sie alle Schrauben ein, die Sie vorher entfernt haben. Die Abschirmbleche habe ich bewußt nicht mehr erwähnt. Wer darauf steht, muß sie eben vorher wieder in der Reihenfolge einbauen, in der er sie zuvor entfernt hat.

Meine Harddisk - und meine Nerven

Irgendwann erwischt es jeden. Niemand ist davor geschützt. Eine Festplatte läßt sich nicht mehr ansprechen. Einzelne Partitionen sind weg oder es fehlten einfach Teile der Daten.

Wichtig ist, daß Sie hier gleich am Anfang in der Lage sein sollten, feststellen zu können, woran das Versagen denn nun liegt. Ist es ein Versagen der Hard- oder der Software. Das ist nicht immer einfach, sollte sich aber im Lauf dieses Artikels aufklären lassen.

Die ersten Versuche, nicht nur auf dem Falcon

Versuchen Sie nicht, auf eine fehlerhafte Platte zu schreiben, das verschlimmert die Sache u.U. nur noch mehr.

Unter TOS im Desktop, unter MagiC, N.AES sollte man zuerst versuchen, ob man mit neuem Anmelden der Laufwerke wieder einen Zugriff auf die Festplatte erhält. Teilweise genügt oft einfach ein neues Booten des Rechners. Erscheinen die Laufwerkicons nicht, kann man versuchen, auch diese neu anzulegen.

Im einzelnen geht das mit folgenden Schritten:

Tabelle 1 - getestete Festplatten Hersteller Bezeichnung Kapazität Bauform Interface Hitachi DK222A-54 540 MB 2.5“ IDE nicht mit CT2 ! Hitachi DK212A-81 810 MB 2.5" IDE Hitachi DK212A-10 1.0GB 2.5" IDE Fujitsu M2637T 240 MB IDE Conner CFN250A 250 MB IDE Conner CP2064 64 MB 2.5“ IDE nicht mit CT2 ! Quantum Daytona 500 MB IDE Seagate ST9077A 2.5“ IDE nicht mit CT2 ! Quantum Europa 1.08 GB 2.5" IDE Toshiba MK1002MAV 1.08 GB 2.5" IDE Toshiba MK2109MAT 2.1 GB 2.5" IDE ATA4 Toshiba MK1403MAV 1.3 GB 2.5" IDE ATA4

  • Menüpunkt "Extras/Laufwerk anmelden" anwählen.

  • Den Buchstaben für das anzumeldende Laufwerk eintragen, evtl, auch gleich einen anderen Titel. Das spart einen Arbeitsgang.

  • Der verwendete Buchstabe muß unbedingt ein Großbuchstabe sein, also C, D, E, ...; A oder B gelten nur für Diskettenlaufwerke. A und B sind ja schon da, wenn z.B. kein direkter Defekt am DMA-Chip in älteren Atari-Compu-tem vorliegt.

Im allgemeinen ist für jede einzelne Partition auf der Festplatte, egal ob es eine IDE-, SCSI- oder eine alte Megafile-Fest-platte ist, jeweils ein Laufwerksbuchstabe zu vergeben bzw. vorhanden. Ein Buchstabe bedeutet ein eigenes logisches Laufwerk. Bei modernen Desktops, Betriebssystemen geht die Anmeldung für alle gefundenen Laufwerke/Partitionen automatisch. Die Laufwerkskennungen werden in alphabetischer Reihenfolge direkt in der Auswahl so an die gefundenen Partitionen vergeben.

Beachten Sie bitte, daß bei älteren Treibern, Atari-Systemen, einige ältere Programme Probleme mit Laufwerken haben, wenn diese einen Buchstaben nach "P" tragen. Das trifft auch für CD-Laufwerke zu.

Die Vergabe einer Laufwerkskennung wird übrigens nicht abgelehnt, wenn kein entsprechendes Laufwerk gefunden wird, das entsprechende Icon erscheint auf jeden Fall auf dem Desktop. Es läßt sich dann nur kein Fester öffnen.

Es ist also auf jeden Fall mit "C" als erstes Laufwerk anzufangen. Es spielt keine Rolle, auf welchem physikalischen Laufwerk die Partition "C" liegt. Auch kann dieses jederzeit eine BGM-Partition sein. Es sollte auf alle Fälle aber eine TOS-Par-tition sein, da der Atari ansonsten nicht davon booten wird.

• Offnen Sie das nächste Laufwerksicon. Hat Ihr Rechner alle physikalischen Laufwerke wiedergefunden und auf dem Desktop angemeldet, sollten Sie versuchen, ob sich die einzelnen Laufwerke auch noch ansprechen lassen. Ist ein Laufwerk dabei, das als "unbekannt" eingestuft wird, bleiben Sie ruhig, darauf wird später im Artikel noch hingewiesen.

Sie erhalten hier keinen Zugriff auf dieses Laufwerk, da vermutlich die FAT beschädigt ist (FAT - (F)ile(A)llocation(T)able). Wenn das nicht geht ("Laufwerk imbekannt"), probieren Sie es mit dem nächsten Laufwerksbuchstaben weiter.

• Wenn alle Icons angemeldet sind und auf dem Desktop ihren Platz gefunden haben, "Arbeit sichern" nicht vergessen, sonst muß man leider, nach einem erneuten Booten, alles noch einmal wiederholen.

Die DESKTOP.INF oder eine NEW-DESK.INF wird automatisch immer auf dem ersten TOS-Laufwerk vom Atari TOS gespeichert. Normalerweise ist das Laufwerk "C". Fehler mit der DESKTOP.INF' können Sie fast ausschließen, wenn Sie diese Datei immer kleiner als 4 KB halten. Legen Sie eine neue DESKTOP.INF an, wenn Sie ganz sichergehen wollen.

In den meisten Fällen kann man mit diesen Schritten erst einmal wieder an die Platte kommen. Klappt das nicht, ist leider zu befürchten, daß der Root-Sektor der entsprechenden Festplatte Schaden erlitten hat. Das passiert eigentlich sehr selten, ist aber nicht ungewöhnlich. In wenigen Ausnahmen ist hier mit dem kompletten Datenverlust dieser Platte zu rechnen. Wohl dem, der rechtzeitig und regelmäßig Backups der wichtigsten Daten angelegt hat. Läßt sich nur eine einzelne Partition nicht mehr ansprechen, ist hier vermutlich deren FAT beschädigt.

Das kann u.a. auch bei einem Stromausfall oder dem unbedachten Ausschalten eines Multitasking-fähigen Betriebsystems passieren. In der Regel gibt es hier Caches, die erst nach einigen Sekunden wieder vollständig auf die Festplatte zurückgeschrieben werden. Schalten Sie da vorher einfach den Computer aus, ist Ihnen nicht zu helfen, Datenverluste bleiben so nie aus. Solche Systeme sind daher immer nur über "Shutdown" oder dem entsprechenden Abschaltbutton auszuschalten bzw. herunterzufahren.

Root-Sektor defekt

In diesem Fall dient in der Regel das Programm am besten, mit dem diese Festplatte ursprünglich partitioniert wurde. Gut sind Sie dran, wenn Sie beim Einrichten der Platte alle wichtigen Parameterdateien abgespeichert hatten, um so mit "Wiederherstellen" die ursprünglichen Einstellungen schnell wieder hersteilen können. Einige Produkte bieten hier extra eine Funktion zur Rettung des Root-Bereiches an. Der Schaden an den Daten ist dann in den meisten Fällen minimal, sofern nicht wild auf die Platte geschrieben wurde. Logischerweise kann das nur korrekt klappen, wenn man mit der entsprechenden Software die Einstellungen der Festplatte komplett gesichert hat. Am besten erledigt man das auf einer Diskette, die man sicher verwahrt. Auf der Festplatte selbst nutzt einem eine solche Information wenig. Besonders dann nicht, wenn man gerade keinen Zugriff mehr darauf hat.

Sind Sie noch immer Benutzer von AHDI (HDX.PRG), sieht die Sache ein wenig schlechter aus. HDX bietet nur eine Parti-tionierung oder gar eine Formatierung der Festplatten an.

FAT defekt

Hier gibt es verschiedene Utilities, die es erlauben, die Kopie der entsprechenden FAT von der Festplatte zu lesen. Das Atari Filesystem legt immer eine Kopie der FAT (FAT2) in einen extra reservierten Bereich einer jeden Partition an. In den meisten Fällen reicht es daher, mit einem entsprechenden Utility, z.B. DISKUS oder HDSentry, die Kopie der FAT über die beschädigte FAT zu schreiben. Nach einem erneuten Bootvorgang des Computers sollte man wieder eine gesunde Partition erhalten, abzüglich der Stellen, die gerade in dem Moment geschrieben wurden, als der Defekt, ein Stromausfall, eine Fehlbedienung, aufgetreten ist. Diese Datei(en) können Sie getrost vergessen. Mit einem Sektor orientierten HEX-Edi-tor können Sie versuchen, die einzelnen Dateien so zu reparieren, daß sie wieder lesbar oder teilweise lesbar werden. Allerdings ist das mehr als nur zeitaufwendig. Hier kann u.U. CHKDESK3.PRG eine Hilfe sein. CHKDESK3 setzt die zerstreuten Teile eines so zerdepperten Files automatisch wieder zusammen, vorausgesetzt, es sind nicht alle wichtigen Teile hoffnungslos zerstört.

Wichtig

Bedenken Sie, daß ein einziger Schreibzugriff auf eine solch zerfetzte Partition jeden Reparaturversuch in diese Richtung hinfällig macht. Das Filesystem benutzt jeden Sektor, der nicht eine eindeutige Zuweisung auf eine Datei besitzt als "freien" Sektor. Solche Sektoren werden nicht nach ihrem Inhalt gefragt, das Filesystem beschreibt einfach neu! Ihre Daten sind dann futsch.

Flickversuche hinterher sind sinnlos und eine reine Zeitverschwendung. Sind mehr als die Hälfte Ihrer Files nicht mehr ansprechbar, retten Sie durch Kopieren dieser Files auf eine andere Partition, was noch zu retten ist. Was sich kopieren läßt, kopieren Sie auf einen freien und unbeschädigten Datenträger. Den Rest belassen Sie, wie er ist und starten das Partitionierungsutility Ihrer Harddisksoftware. Nach wenigen Sekunden besitzen Sie eine leere und völlig intakte Partition. Booten Sie danach den Rechner am besten komplett neu!

Kopieren Sie die geretteten Daten auf die soeben geleerte Partition zurück, ersetzen Sie fehlende Daten aus Ihrem letzten Backup. Ganz ohne Verluste geht es nie.

Literatur

"Scheibenkleister" ist keine klebrige Masse, mit der man irgendwas auf ein Fenster klebt, es ist vielmehr die Bibel in Bezug auf Massenspeicher an Atari-Computern. Vom einfachen Diskettenlaufwerk und dessen Funktionsweise bis hin zur komplizierten Festplatte ist hier alles in Wort und Bild festgehalten. Heute wohl nur noch als gebrauchter Schmöker zu erstehen. SED, ein nettes Harddisktool aus diesem Buch, ist eine richtig gute Hilfe.

Neue Gesichter, alte Lieder und alte Geschichten

Bewußt wurde auch ein alter Weg beschrieben, eine alte Software benutzt, um so zu zeigen, daß es nicht immer ein einfacher Weg war in den Anfangsjahren, vor allem aber in der Zeit vor dem Falcon, überhaupt eine bootfähige Festplatte an einem Atari zu besitzen, geschweige denn die vorhandene Hardware auch so zu benutzen, daß nicht jede Woche ein neues Einrichten fällig war. "Megafile"-Lauf-werke waren damals sehr teuer.

Noch schlimmer, viel schlimmer, waren die diversen "Sonderlösungen", so z.B. die c't Billiglösung, die eine oder zwei Festplatten an einem Atari unter der Verwendung eines PC MFM/RLL Controllers erlaubte. Angefangen von Timing-Problemen des selbstgelöteten Hardware-Adapters bis hin zur schlechten Beschaff-barkeit des damals nötigen Controllers war auch die dafür nötige Treibersoftware, wie auch anders möglich, natürlich selbstgestrickt.

An ein "Booten" war nur zu denken, wenn man das ROM mit einem Patch traktiert hatte oder eben einfach eine entsprechend hergerichtete Bootdiskette im Diskettenlaufwerk stecken hatte. Aber es lief - und zwar reibungslos!

AHDI und die damals aufgekommen Megafile-Festplatten waren schon eine Errungenschaft: vor allem eine sehr teure und auch laute. Davor gab es mehr oder weniger nur die sehr langsamen SH-Drives, laut und heute kaum mehr denkbar. AHDI war quasi der Standard.

Davor, dazwischen und auch danach, gab es noch diverse Selbstbauprojekte, von OMTI bis ALIA in fast jeder nur erdenklichen Form. Mit dem OMTI-Adapter, dem schon weiter oben genannten c't Projekt, wurde ein uralter MFM-bzw. RLL-Controller am Atari ST lauffähig gemacht. Man war dann in der Lage, erstmals Festplatten mit einer Kapazität weit oberhalb der üblichen "Megafile 60" zu benutzen. Mit den damals auch nicht gerade günstigen RLL-Festplatten war das kein Problem. Dank ausgefeilter Programmiertechniken einiger Freaks konnte man sogar, nach dem Patchen des TOS, von eben so einer Festplatte booten. An dieser Stelle muß ich jetzt eingestehen, daß ich einen 520ST mit einer solchen Lösung von 1986-1993 täglich betrieben habe. In der gesamten Zeit gab es genau zwei Zusammenbrüche des Systems.

Einmal bastelt man nicht am offenen Computer (eine Ode an Ferdi :-), das andere Mal, CAT war damals noch ganz neu, denke ich, war es die Release 1.0.

Das erste Mal war ein technischer Defekt am OMTI 5520, das zweite Mal eine zerschossene Mailer-Partition. Letzteres mit den Mitteln von weiter oben rasch behoben. Der neue OMTI Controller war das größere Problem.

Tabelle 1 - getestete Festplatten
Hersteller Bezeichnung Kapazität Bauform Interface
Hitachi DK222A-54 540 MB 2.5“ IDE nicht mit CT2 !
Hitachi DK212A-81 810 MB 2.5" IDE
Hitachi DK212A-10 1.0GB 2.5" IDE
Fujitsu M2637T 240 MB IDE
Conner CFN250A 250 MB IDE
Conner CP2064 64 MB 2.5“ IDE nicht mit CT2 !
Quantum Daytona 500 MB IDE
Seagate ST9077A 2.5“ IDE nicht mit CT2 !
Quantum Europa 1.08 GB 2.5" IDE
Toshiba MK1002MAV 1.08 GB 2.5" IDE
Toshiba MK2109MAT 2.1 GB 2.5" IDE ATA4
Toshiba MK1403MAV 1.3 GB 2.5" IDE ATA4

1990 hielt dann hier der erste DMA-Hostadapter Einzug, nicht fähig ein Parity Bit zu generieren, und mit ihm gleichzeitig die reichlich Update-freudigen SCSI-Tools, ebenso aber auch die ersten schnellen SCSI-Festplatten mit einer damals wahnwitzigen Kapazität von 540 MB. Mit den neuen Softwaretools war es fast ein Kinderspiel, eine Festplatte einzurichten oder einen Fehler zu beheben. Selbst das Bügeln einer einzelnen Partition in der Mitte eine Platte ist heute eigentlich nicht mehr als Problem zu betrachten. Man braucht auch keine Spuren und Sektoren abzuzählen und per Fland in eine Steuerdatei einzutragen. Die Funktion in HDDriver und den SCSI-Tools wichtige Platteninformationen auf einer Diskette speichern zu können, versetzt den erfahrenen Diskjockey zu jeder Zeit in die Lage, die Daten einer oder mehrerer Partitionen in Sekunden zu retten oder wieder lesbar zu machen. Das sind Features, von denen man vor Jahren nur träumen konnte.

Lesen Sie in der kommenden Ausgabe alles über die maximale Anzahl und Größe von Partitionen, über die passenden Treiber und Grundlagenwissen über die korrekte Einstellung von Jumpern.